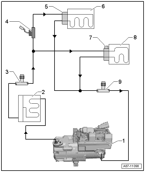
| Refrigerant circuit with electrically driven air conditioner compressor (with and without battery cooling module) |
| Vehicles with high-voltage system (hybrid vehicles) |

WARNING | Safety hazard: the engine can start unexpectedly. |
| Before carrying out general work on a vehicle with high-voltage electrical system, switch off the ignition and remove the ignition key from the vehicle. |
|

WARNING | Working on vehicles with high-voltage wiring: |
| l
| Do not support yourself or tools on high-voltage wiring or associated components --> this can damage the insulation. |
| l
| High-voltage wiring must not be excessively bent or kinked --> this can damage the insulation. |
| l
| The round high-voltage connectors are colour-coded with an external coloured ring and are provided with mechanical coding or guide lugs. It is important to observe this coding when joining up the round high-voltage connectors, otherwise the connectors can be damaged. |
|

DANGER! | Risk of fatal injury if high-voltage components are damaged. |
| Observe the following when working in the vicinity of high-voltage components or wiring: |
| t
| It is not permitted to use cutting or forming tools, other sharp-edged tools or heat sources such as welding, brazing, soldering, hot air or thermal bonding equipment. |
| t
| Before starting work, visually inspect the high-voltage components in the areas involved. |
| t
| Before working in the engine compartment, visually inspect the power electronics -JX1-, electric drive motor -V141-, air conditioner compressor -V470- and high-voltage wiring. |
| t
| Before working on the vehicle underbody, visually inspect the high-voltage wiring and covers. |
| t
| Before working on the rear section of the vehicle, visually inspect the high-voltage wiring and the electro-box with the maintenance connector for high-voltage system - TW -. |
| t
| Visually inspect all potential equalisation lines. |
| Check the following when making the visual inspection: |
| t
| There must be no external damage on any component. |
| t
| The insulation of the high-voltage wiring and potential equalisation lines must not be damaged. |
| t
| There must be no unusual deformation of the high-voltage wiring. |
| t
| All high-voltage components must be identified by a red warning sticker. |
|
| If work is necessary in the vicinity of high-voltage system components, perform a visual inspection of the high-voltage components and wiring to check for damage → Chapter and note → Electrical system; Rep. gr.93. |
| De-energising high-voltage system |

DANGER! | Voltage can cause fatal injury. |
| Danger of severe or fatal injuries from electric shock. |
| t
| For reasons of safety, persons with life-preserving or other electronic medical devices in or on their body must not perform any work on the high-voltage system. Such medical devices include internal analgesic pumps, implanted defibrillators, pacemakers, insulin pumps and hearing aids. |
| t
| The high-voltage system may only be de-energised by a suitably qualified person (Audi high-voltage technician). |
| t
| It must be definitely confirmed that the high-voltage system is de-energised. The system may only be de-energised using the vehicle diagnostic tester via „Guided Fault Finding“. |
| t
| The qualified person (Audi high-voltage technician) confirms that the system is de-energised and uses the locking cap -T40262- to ensure that the system cannot be re-energised. The ignition key and the maintenance connector for high-voltage system - TW - should then be stored in a safe place by the qualified person. |
| t
| The qualified person (Audi high-voltage technician) marks the vehicle by attaching the appropriate warning signs. |
|

Note | t
| De-energising high-voltage system: |
| t
| Connect vehicle diagnostic tester |
| t
| Select Guided Fault Finding mode |
| t
| Using the Go to key, select the following menu items in succession |
| t
| Function/component selection |
| t
| Self-diagnosis compatible systems |
| t
| 8C - Hybrid battery management -J840 |
| t
| 8C - Hybrid battery management, functions |
| t
| 51 - De-energise high-voltage system (Rep. gr. 93) |
| Re-energising high-voltage system |

DANGER! | Voltage can cause fatal injury. |
| Danger of severe or fatal injuries from electric shock. |
| t
| For reasons of safety, persons with life-preserving or other electronic medical devices in or on their body must not perform any work on the high-voltage system. Such medical devices include internal analgesic pumps, implanted defibrillators, pacemakers, insulin pumps and hearing aids. |
| t
| The high-voltage system may only be re-energised by a suitably qualified person (Audi high-voltage technician). |
| t
| The system may only be re-energised using the vehicle diagnostic tester via „Guided Fault Finding“. |
| t
| The vehicle is then made ready for operation again by the qualified person (Audi high-voltage technician). |
| t
| The qualified person (Audi high-voltage technician) marks the vehicle by attaching the appropriate warning signs. |
|

Note | t
| Re-energise high-voltage system: |
| t
| Connect vehicle diagnostic tester |
| t
| Select Guided Fault Finding mode |
| t
| Using the Go to key, select the following menu items in succession |
| t
| Function/component selection |
| t
| Self-diagnosis compatible systems |
| t
| 8C - Hybrid battery management -J840 |
| t
| 8C - Hybrid battery management, functions |
| t
| 51 - Re-energise high-voltage system (Rep. gr. 93) |
| Arrows show direction of refrigerant flow. |
|
|
|