A3 Mk2
Note
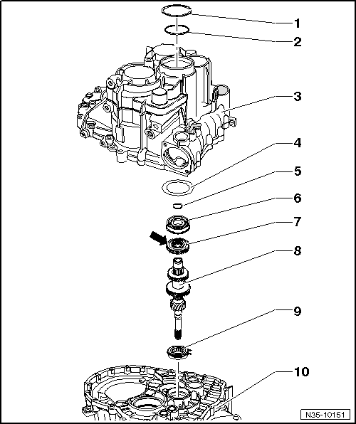
|

| 1 - | Circlip |
| q | For grooved ball bearing on input shaft → Item |
| q | Removing and installing → Chapter |
| 2 - | Washer |
| q | Outside diameter = 78.6 mm |
| q | Can only be fitted on modified gearbox housing (from gearbox manufacturing date 10 04 6 to approx. 20 01 8) → Chapter |
| q | Select correct components from → Electronic parts catalogue |
| 3 - | Gearbox housing |
| q | From gearbox manufacturing date 10 04 6 to approx. 20 01 8: modified in area of seat for grooved ball bearing → Item to match washers → Item and → Item → Chapter |
| q | From gearbox manufacturing date approx. 21 01 8 onwards: grooved ball bearing and bearing seat have flattened sides to prevent rotation → Chapter |
| q | Select correct components from → Electronic parts catalogue |
| 4 - | Washer |
| q | Outside diameter = 85 mm |
| q | Can only be fitted on modified gearbox housing (from gearbox manufacturing date 10 04 6 to approx. 20 01 8) → Chapter |
| q | Select correct components from → Electronic parts catalogue |
| 5 - | Circlip |
| q | When grooved ball bearing → Item or input shaft → Item are renewed: determine thickness of required circlip → Fig. |
| 6 - | Grooved ball bearing |
| q | Always renew |
| q | Pulling off → Fig. |
| q | Pressing on → Fig. |
| 7 - | 5th gear wheel |
| q | Pressing off → Fig. |
| q | Installation position: Circular slot -arrow- faces towards grooved ball bearing → Item |
| q | Pressing on → Fig. |
| 8 - | Input shaft |
| q | With 3rd/4th and 6th gear wheels |
| 9 - | Roller bearing |
| q | With circlip |
| q | Pulling out → Fig. |
| q | Pressing in → Fig. |
| q | Installation position: Circlip in bearing faces towards input shaft |
| 10 - | Clutch housing |

Note