A3 Mk2
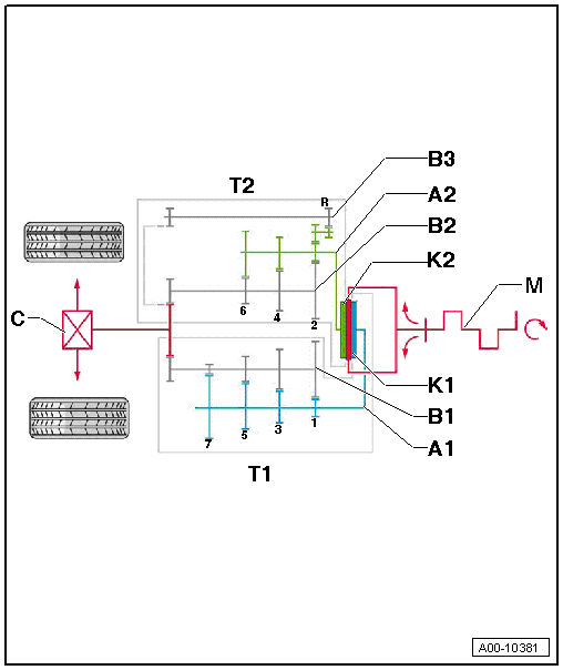
| Transmission layout |
| The 7-speed dual clutch gearbox 0AM is equipped with 5 shafts. It contains of two input shafts and three output shafts. |

| A1 - | Input shaft 1 |
| A2 - | Input shaft 2 |
| B1 - | Output shaft 1 |
| B2 - | Output shaft 2 |
| B3 - | Output shaft 3 |
| C - | Front final drive |
| K1 - | Dual clutch 1 |
| K2 - | Dual clutch 2 |
| M - | Engine |
| T1 - | Gear train half 1 |
| q | With gears 1, 3, 5 and 7 |
| T2 - | Gear train half 2 |
| q | With gears 2, 4, 6 and and reverse gear R |
