A4 Cabriolet Mk2
| Transmission layout |
| Identification |
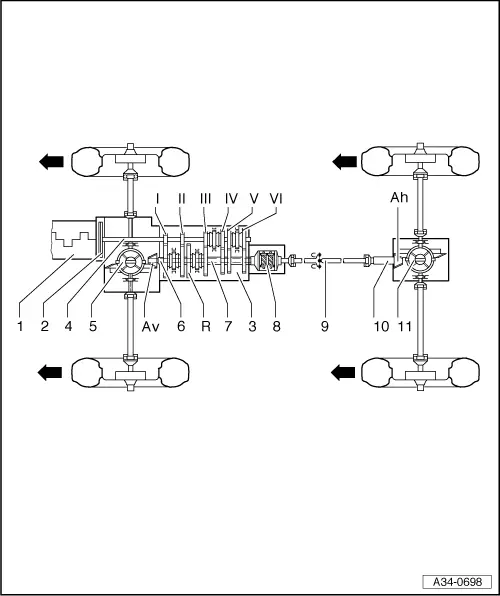
Note| -Arrows- point in direction of travel. |

| 1 - | Engine |
| 2 - | Clutch |
| 3 - | Manual gearbox |
| q | Diagram of gearbox layout → Chapter |
| 4 - | Input shaft (main shaft) |
| 5 - | Front differential |
| 6 - | Front pinion shaft (output shaft) |
| 7 - | Hollow shaft |
| 8 - | Centre differential |
| 9 - | Propshaft |
| 10 - | Rear pinion shaft |
| 11 - | Rear differential |
| Ratio |
Note| -Arrows- point in direction of travel. |

| I - | 1st gear |
| II - | 2nd gear |
| III - | 3rd gear |
| IV - | 4th gear |
| V - | 5th gear |
| VI - | 6th gear |
| R - | Reverse gear |
| Av - | Final drive (front) |
| Ah - | Final drive (rear) |
