A4 Cabriolet Mk2
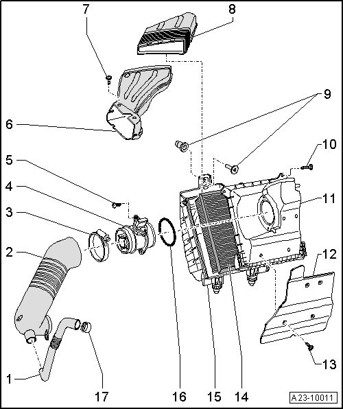
| Air cleaner - exploded view |

| 1 - | Crankcase breather hose |
| 2 - | Air hose |
| q | To turbocharger |
| 3 - | Hose clip |
| 4 - | Air mass meter -G70- |
| q | Removing and installing → Chapter |
| 5 - | 1.5 Nm |
| 6 - | Air duct |
| q | To lock carrier |
| q | Clean out dirt and leaves, etc. |
| 7 - | 1.5 Nm |
| 8 - | Air duct |
| q | To air cleaner housing |
| q | Clean out dirt and leaves, etc. |
| 9 - | Spreader clip |
| 10 - | 1.5 Nm |
| 11 - | Air cleaner housing (top section) |
| q | Clean out salt deposits, dirt and leaves, etc. |
| 12 - | Heat shield |
| 13 - | 1.5 Nm |
| 14 - | Air filter element |
| q | Only use genuine part for air filter element |
| q | Observe change intervals → Booklet803 or → Booklet805 |
| q | Removing and installing → Chapter |
| 15 - | Air cleaner housing (bottom section) |
| q | Clean out salt deposits, dirt and leaves, etc. |
| q | Blow out water drain (small hole in bottom section of air cleaner housing) with compressed air |
| 16 - | O-ring |
| q | Renew if damaged |
| 17 - | Spring-type clip |
