A4 Cabriolet Mk2
| Servicing unit injector |
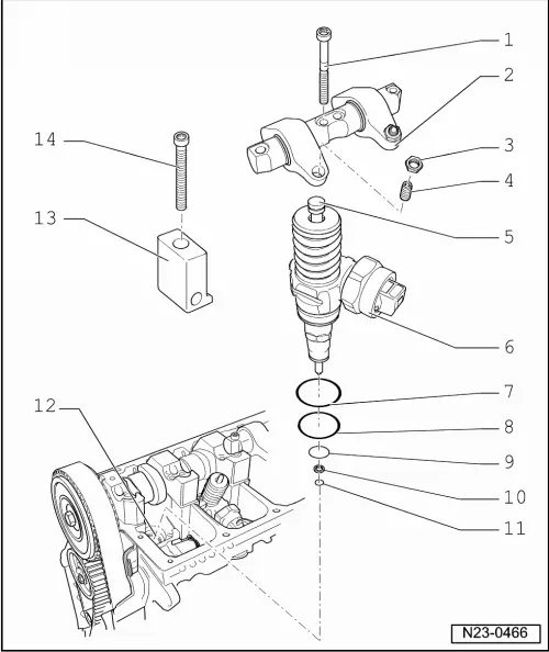
Note| Observe rules for cleanliness → Chapter. |

| 1 - | 20 Nm + 90° (1/4 turn) further |
| q | Renew |
| 2 - | Rocker arm shaft |
| q | With rocker arms |
| q | Removing and installing → Chapter |
| 3 - | Lock nut, 30 Nm |
| 4 - | Adjuster screw |
| q | Renew |
| 5 - | Ball stud |
| q | Renew |
| 6 - | Unit injector |
| q | Removing and installing → Chapter |
| 7 - | O-ring |
| q | Renewing → Chapter |
| 8 - | O-ring |
| q | Renewing → Chapter |
| 9 - | O-ring |
| q | Renewing → Chapter |
| 10 - | Insulating seal |
| q | Renewing → Chapter |
| 11 - | Retaining ring |
| 12 - | Cylinder head |
| 13 - | Clamping block |
| 14 - | 12 Nm + 270° (3/4 turn) further |
| q | Renew |
