Audi Workshop Service and Repair Manuals
HOME
FEATURES
MENU
INDEX
ABOUT US
Servicing rear axle (front-wheel drive vehicles) >
< Removing and installing anti-roll bar
A4 Mk1
Running gear, front-wheel drive and four-wheel drive
Rear suspension, drive shaft
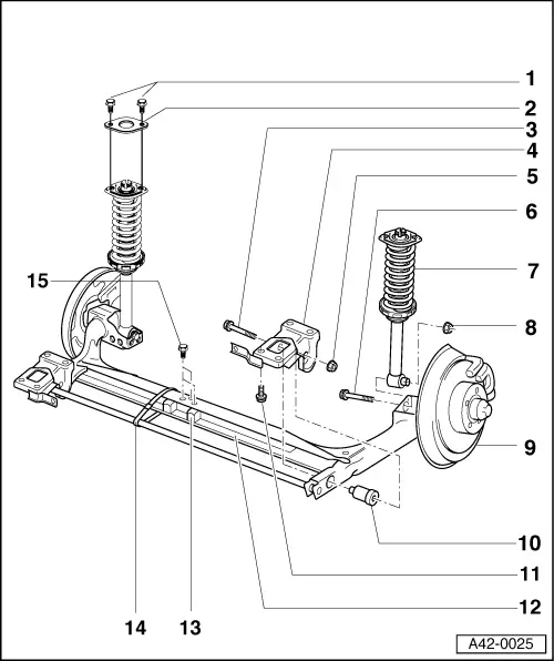
Servicing rear axle
Running gear, Front-wheel drive and four-wheel drive
Servicing rear axle
Servicing rear axle
Running gear, front-wheel drive and four-wheel drive
Rear suspension, drive shaft
Servicing rear axle
Servicing rear axle (front-wheel drive vehicles) >
< Removing and installing anti-roll bar