Audi Workshop Service and Repair Manuals
HOME
FEATURES
MENU
INDEX
ABOUT US
Moving lock carrier into service position >
< Dismantling and assembling engine
A4 Mk2
Power unit
4-cylinder engine (5-valve turbo), mechanics
Enginecrankshaft group, pistons / Dismantling and assembling engine
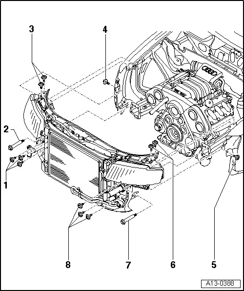
Lock carrier - exploded view
Lock carrier - exploded view
Lock carrier - exploded view
1 -
40 Nm
2 -
Special tool, front-end service sleeves -3369-
q
Tighten to 10 Nm
3 -
10 Nm
4 -
10 Nm
5 -
10 Nm
6 -
10 Nm
7 -
Special tool, front-end service sleeves -3369-
q
Tighten to 10 Nm
8 -
40 Nm
Power unit
4-cylinder engine (5-valve turbo), mechanics
Enginecrankshaft group, pistons / Dismantling and assembling engine
Lock carrier - exploded view
Moving lock carrier into service position >
< Dismantling and assembling engine