A4 Mk2
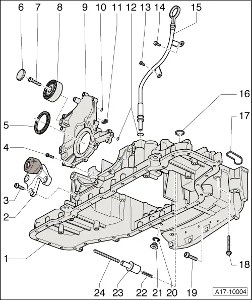
| Sump (top section) - exploded view |

| 1 - | Sump (top section) |
| q | Removing and installing → Chapter |
| 2 - | Torque reaction support |
| 3 - | 40 Nm |
| 4 - | 9 Nm |
| q | Tighten in stages and in diagonal sequence |
| 5 - | Crankshaft oil seal (pulley end) |
| q | Renewing → Chapter |
| 6 - | Cover |
| 7 - | 23 Nm |
| 8 - | Idler roller for poly V-belt |
| q | Note installation position |
| 9 - | Sealing flange (front) |
| q | Removing and installing → Chapter |
| 10 - | O-ring |
| q | Renew |
| 11 - | Sealing element |
| q | 2x |
| 12 - | O-rings |
| q | Renew |
| 13 - | 9 Nm |
| 14 - | 9 Nm |
| 15 - | Guide tube for oil dipstick |
| 16 - | Seal |
| q | Renew |
| 17 - | Seal |
| q | Renew |
| 18 - | 15 Nm |
| q | Tighten in stages and in diagonal sequence |
| 19 - | 45 Nm |
| 20 - | Seal |
| q | Renew |
| 21 - | Plug for TDC drilling, 35 Nm |
| 22 - | Compression spring |
| 23 - | Coupling |
| 24 - | Oil pump drive shaft |
