A4 Mk2
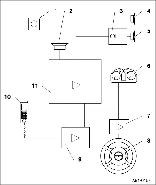
| Voice control system - overview |

| 1 - | Telephone microphone -R38- in front interior light -W1- |
| 2 - | Internal loudspeaker -R70- in dash panel (front centre) (up to MY 01) |
| 3 - | Radio -R- in centre console (top) |
| 4 - | Mid-range/treble loudspeaker, front left -R26-/mid-range/treble loudspeaker, front right -R27- in front doors (top) |
| 5 - | Bass loudspeaker, front left -R21- and bass loudspeaker, front right -R23- in front doors (bottom) |
| 6 - | Instrument cluster in dash panel |
| 7 - | Steering column electronics control unit -J527- on steering column |
| 8 - | Multi-function steering wheel with talk button |
| 9 - | Telephone/telematics control unit -J526- in electronics box beneath front seat (right-side) |
| 10 - | Telephone handset -R37- on the centre console (top right) |
| 11 - | Language input control unit -J507- in electronics box beneath front seat (right-side) |
