| Vehicles with DVD player: |
| –
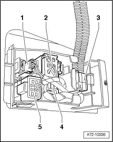
| Push grommet -3- to the side. |
| –
| Unplug electrical connectors -1- and -2- and move wiring harness clear. |

WARNING | t
| Observe safety regulations for pyrotechnic components → Chapter. |
| t
| Before handling pyrotechnic components (e.g. plugging in the electrical connector) the mechanic must discharge static electricity by briefly touching the door striker plate, or similar. |
|
| Plug in connectors in reverse order; note the following: |

Note | Make sure electrical connectors are fitted correctly (as far as stop) and engage audibly. |

WARNING | The battery must be connected with the ignition switched on. If pyrotechnic components (e.g. airbag or belt tensioner) are inexpertly repaired, this may result in unwanted triggering after connecting the battery. There must not be anyone in the vehicle while you are connecting the battery. |
|

Note | If the airbag warning lamp -K75- indicates a fault following installation, you must interrogate, erase and then re-interrogate the event memory → Vehicle diagnostic tester. |
|
|
|