A4 Mk3
| Servicing mounting for spur gear |

| Special tools and workshop equipment required |
| t | Thrust plate -VW 401- |
| t | Thrust plate -VW 402- |
| t | Thrust plate -40 - 105- |
| t | Tube -3296- |
| t | Assembly tool -3301- |
| t | Tapered roller bearing puller -V.A.G 1582- |
|
|
|
|

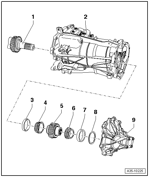
| 1 - | Output shaft |
| 2 - | Gearbox cover |
| 3 - | Outer race/tapered roller bearing |
| q | Removing and installing → Item |
| 4 - | Inner race/tapered roller bearing |
| q | On gearbox cover end |
| q | Detaching → Fig. |
| q | Pressing on → Fig. |
| 5 - | Input gear/spur gear mechanism |
| 6 - | Inner race/tapered roller bearing |
| q | On end cover side |
| q | Detaching → Fig. |
| q | Pressing on → Fig. |
| 7 - | Outer race/tapered roller bearing |
| q | Removing and installing → Item |
| 8 - | Shim |
| q | For pre-load of tapered roller bearings for input gear/spur gear mechanism → Item |
| q | Determining thickness → Chapter |
| 9 - | End cover |
Note
|
|

Note