A4 Mk3
| Servicing bearings for spur gear and centre differential |

| Special tools and workshop equipment required |
| t | Thrust plate -VW 401- |
| t | Thrust plate -VW 402- |
| t | Press tool -VW 408 A- |
| t | Press tool -VW 412- |
| t | Thrust plate -VW 447 H- |
| t | Thrust pad -VW 511- |

| t | Support -40 - 103- |
| t | Thrust plate -40 - 105- |
| t | Thrust plate -3005- |
| t | Sleeve -3144- |
| t | Tube -3296- |
| t | Assembly tool -3301- |
|
|
|
|
|
|
|
|
|
|

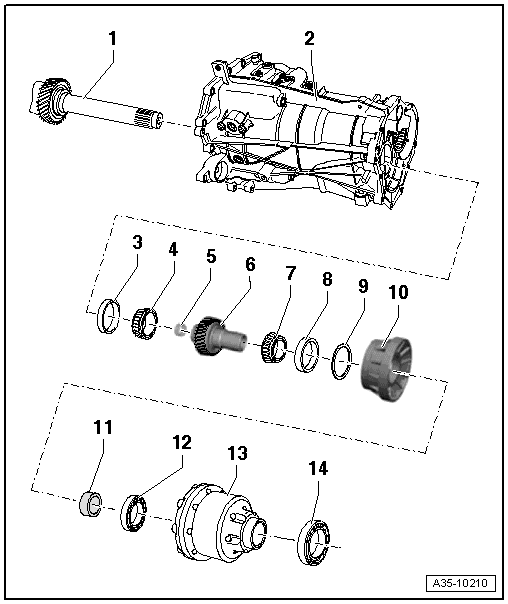
| 1 - | Output shaft |
| 2 - | Gearbox cover |
| 3 - | Tapered roller bearing outer race |
| q | Removing and installing → Item |
| 4 - | Tapered roller bearing inner race |
| q | Goes towards gearbox cover |
| q | Pressing off → Fig. |
| q | Pressing on → Fig. |
| 5 - | Needle bearing |
| q | Bearing for spur gear drive input gear on output shaft |
| 6 - | Spur gear drive input gear |
| 7 - | Tapered roller bearing inner race |
| q | Goes towards bearing plate |
| q | Pressing off → Fig. |
| q | Pressing on → Fig. |
| 8 - | Tapered roller bearing outer race |
| q | Pressing out → Fig. |
| q | Pressing in → Fig. |
| 9 - | Shim |
| q | Adjusts preload of tapered roller bearings for spur gear drive input gear → Item |
| q | Determining thickness → Chapter |
| 10 - | Bearing plate |
| 11 - | Spacer sleeve |
| 12 - | Ball bearing, small |
| q | For centre differential |
| q | Pulling out → Fig. |
| q | Pressing in → Fig. |
| 13 - | Centre differential |
| q | Can only be serviced by manufacturer |
| 14 - | Ball bearing, large |
| q | For centre differential |
| q | Pulling off → Fig. |
| q | Pressing on → Fig. |
|
|
|
|
|
|
|
|
|
|
|
|
|
|
|
|

Note