A4 Mk3
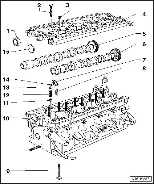
| Valve gear - exploded view |

| 1 - | Oil seal |
| q | Do not additionally oil or grease sealing lip of oil seal |
| q | Before installing, use clean cloth to wipe oil residue off camshaft journal. |
| q | When fitting, mask groove on taper of camshaft (using e.g. transparent adhesive tape) |
| q | Removing and installing → Chapter |
| 2 - | Bolt |
| q | Note correct sequence when loosening → Fig. |
| q | Note correct sequence when tightening → Fig. |
| 3 - | Nut |
| q | 10 Nm |
| 4 - | Retaining frame |
| q | With integrated camshaft bearings |
| q | Note correct sequence when loosening → Fig. |
| q | Note correct sequence when tightening → Fig. |
| q | Clean sealing surface; machining not permitted |
| 5 - | Exhaust camshaft |
| 6 - | Inlet camshaft |
| 7 - | Roller rocker finger |
| q | Mark installation position |
| q | Do not interchange |
| q | Check roller bearings for ease of movement |
| q | Lubricate contact surface |
| 8 - | Hydraulic valve compensation element |
| q | Mark installation position |
| q | Lubricate contact surfaces before installing |
| 9 - | Valve |
| q | Do not machine, only grinding-in is permitted |
| q | Mark installation position for re-installation |
| q | Valve dimensions → Chapter |
| q | Checking valve guides → Chapter |
| 10 - | Cylinder head |
| q | See note → Chapter |
| 11 - | Valve stem oil seal |
| q | Renewing valve stem oil seals → Chapter |
| 12 - | Valve spring |
| 13 - | Valve spring plate |
| 14 - | Valve cotter |
| 15 - | Sealing cap |
| q | Renew |
|
|
