A4 Mk3
| Diagram of coolant hose connections |
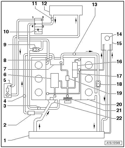
| Vehicles without auxiliary heater |
Note| Arrows show direction of coolant flow. |

| 1 - | Radiator |
| q | If renewed, refill system with fresh coolant |
| 2 - | Pump for exhaust gas recirculation cooler -V400- |
| 3 - | Bleeder screw |
| 4 - | Radiator outlet coolant temperature sender -G83- |
| 5 - | Thermostat |
| 6 - | Engine oil cooler |
| q | If renewed, refill system with fresh coolant |
| 7 - | Exhaust gas recirculation cooler |
| q | If renewed, refill system with fresh coolant |
| 8 - | Coolant temperature sender -G62- |
| 9 - | Bleeder hole |
| 10 - | Heat exchanger for heater |
| q | Removing and installing → Rep. gr.87 |
| q | If renewed, refill system with fresh coolant |
| 11 - | Bleeder screw |
| 12 - | Filler cap for expansion tank |
| q | Checking pressure relief valve → Anchor |
| 13 - | Coolant expansion tank |
| 14 - | Changeover flap for exhaust gas recirculation |
| 15 - | Exhaust gas recirculation control motor -V338- |
| q | With potentiometer for exhaust gas recirculation -G212- |
| 16 - | Non-return valve |
| q | Arrow indicates direction of flow |
| 17 - | Thermostat housing for exhaust gas recirculation |
| 18 - | Cylinder head and cylinder block |
| q | If renewed, refill system with fresh coolant |
| 19 - | Coolant pump |
| Vehicles with auxiliary heater |

| 1 - | Radiator |
| q | If renewed, refill system with fresh coolant |
| 2 - | Pump for exhaust gas recirculation cooler -V400- |
| 3 - | Bleeder screw |
| 4 - | Radiator outlet coolant temperature sender -G83- |
| 5 - | Auxiliary heater |
| q | With circulation pump -V55- |
| q | Removing and installing → Rep. gr.82 |
| 6 - | Engine oil cooler |
| q | If renewed, refill system with fresh coolant |
| 7 - | Exhaust gas recirculation cooler |
| q | If renewed, refill system with fresh coolant |
| 8 - | Coolant temperature sender -G62- |
| 9 - | Non-return valve |
| 10 - | Heater coolant shut-off valve -N279- |
| q | Removing and installing → Rep. gr.87 |
| 11 - | Bleeder hole |
| 12 - | Heat exchanger for heater |
| q | Removing and installing → Rep. gr.87 |
| q | If renewed, refill system with fresh coolant |
| 13 - | Bleeder screw |
| 14 - | Filler cap for expansion tank |
| q | Checking pressure relief valve in filler cap → Anchor |
| 15 - | Coolant expansion tank |
| 16 - | Changeover flap for exhaust gas recirculation |
| 17 - | Exhaust gas recirculation control motor -V338- |
| q | With potentiometer for exhaust gas recirculation -G212- |
| 18 - | Non-return valve |
| 19 - | Thermostat housing for exhaust gas recirculation |
| 20 - | Cylinder head and cylinder block |
| q | If renewed, refill system with fresh coolant |
| 21 - | Coolant pump |
| 22 - | Thermostat |
