A4 Mk3
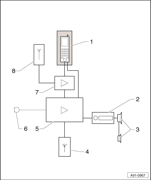
| Mobile phone pre-installation (CAN) - layout |

| 1 - | Telephone bracket -R126- with mobile telephone -R54- |
| 2 - | Radio -R- in dash panel |
| 3 - | Sound systems |
| 4 - | Aerial for Bluetooth -R152- on telephone transmitter and receiver unit -R36- |
| 5 - | Telephone transmitter and receiver unit -R36- beneath front seat (right-side) |
| 6 - | Microphone unit in front roof module -R164- in front interior light -W1- |
| 7 - | Aerial amplifier for mobile telephone -R86- behind luggage compartment side trim (right-side) |
| 8 - | Radio, telephone and navigation system aerial -R52- (roof aerial) |
