A4 Mk3
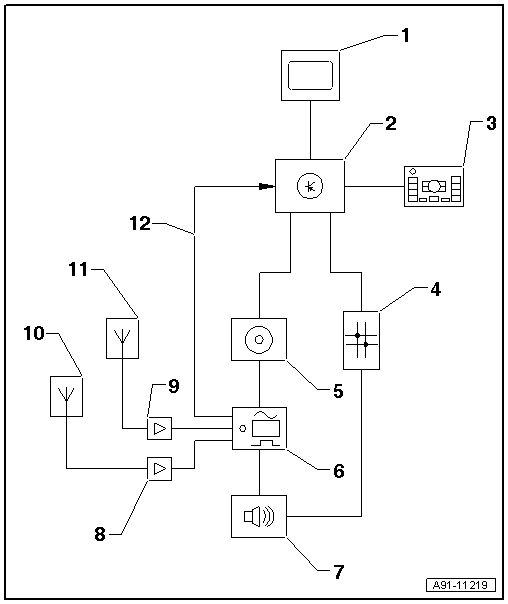
| TV system (from week 45/08 onwards) - layout |

| 1 - | Display unit for front information display and operating unit control unit -J685- in dash panel (centre) |
| 2 - | Control unit 1 for information electronics -J794- in dash panel |
| 3 - | Multimedia system operating unit -E380- in centre console |
| 4 - | Data bus diagnostic interface -J533- behind glove box (left-side) |
| 5 - | CD changer -R41- in glove box |
| 6 - | TV tuner -R78- behind luggage compartment side trim (left-side) |
| 7 - | Digital sound package control unit -J525- behind luggage compartment side trim (left-side) |
| 8 - | Aerial amplifier 2 -R111- |
| 9 - | Aerial amplifier 3 -R112- |
| 10 - | TV aerial 3 -R57- |
| 11 - | TV aerial 1 -R55-/TV aerial 2 -R56- |
