A4 Mk3
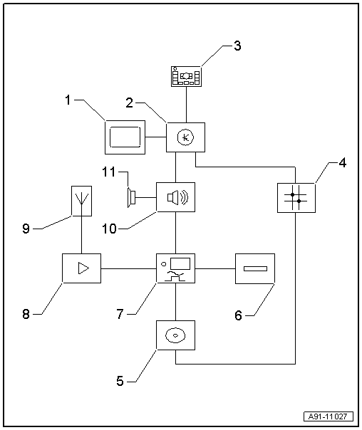
| TV system (up to week 44/08) - layout |

| 1 - | Display unit for front information display and operating unit control unit -J685- in dash panel (centre) |
| 2 - | Control unit for front display and information control panel -J523- behind dash panel |
| 3 - | Multimedia system operating unit -E380- in centre console |
| 4 - | Data bus diagnostic interface -J533- behind glove box (left-side) |
| 5 - | CD changer -R41- in dash panel |
| 6 - | TV card reader -R204- behind luggage compartment side trim (left-side) |
| 7 - | TV tuner -R78- behind luggage compartment side trim (left-side) |
| 8 - | Aerial amplifier |
| 9 - | Window aerials |
| 10 - | Digital sound package control unit -J525- behind luggage compartment side trim (left-side) |
| 11 - | Sound systems |
