A6 Quattro Sedan V6-3.2L (BKH) (2005)
/Page-6846001.png)
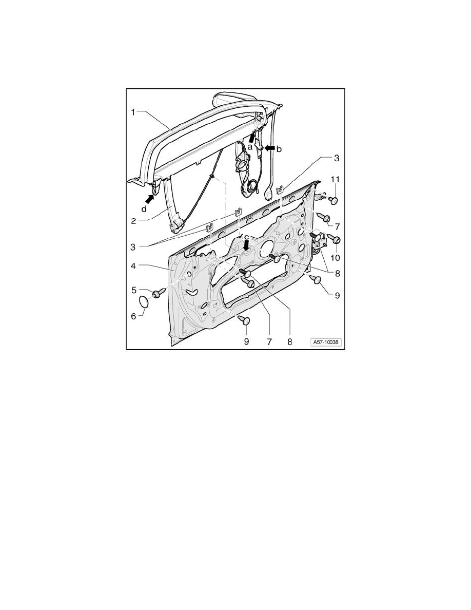
Front Door Window Regulator: Service and Repair
Front Window Frame and Window Regulator
Window Frame And Window Regulator, Removing And Installing
NOTE: Disconnect battery before disassembling window frame or door.
1
-
Window frame
Removal:
CAUTION: A sensor for side airbag is located on inside of door - arrow -, observe safety precautions for airbag.
-
Remove door trim.
-
Disconnect electrical connectors.
-
Remove window regulator motor.
-
Remove bolts - 9 -.
-
Remove bolts - 5 -, - 8-, - 9 -, - 10 - and - 11 -.
-
Remove fitting bolts - 7 - and lift window frame with window regulator up and out of door.
Installing:
-
Drive window into window frame halfway before installing.
-
Insert window frame and window regulator into door from above.
-
Loosely screw in mounting bolts in the sequence - 7 -; - 5 -; - 10 - and - 11 -. -Hand-tighten fitting screws and - 7 - and collar screws - 11 -.
-
Lightly press window frame - 1 - inward at top.
-
Position adjustment bushing -arrow B- with an Allen wrench (9 mm) so that it comes in contact with inner door plate.
-
Tighten bolts - 5 - and - 10 - to 32 Nm.
-
Tighten fitting screws - 7 - to 32 Nm.
-
Tighten bolt - 11 - to 10 Nm.
-
Tighten locating screw -arrow A- in longitudinal brace on window frame to 32 Nm.
-
Knock in the upper profile halves of door-side gasket into window frame at top.
NOTE: