A6 Quattro Sedan V6-3.2L (BKH) (2005)
/Page-2132001.png)
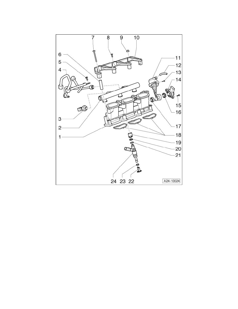
Intake Manifold: Removal and Replacement
Lower Intake Manifold Assembly Overview
Lower Intake Manifold Assembly Overview
1
Intake manifold, lower
‹› Removing and installing => [ Lower Intake Manifold with Fuel Rail ] See: Lower Intake Manifold with Fuel Rail.
‹› After installation, adapt both intake manifold runner position sensors in operating mode "Guided Fault-Finding" in "Adapting intake manifold
runner position sensor"
2
Fuel rail
3
Fuel pressure sensor (G247)
4
High-pressure line
CAUTION!
‹› Before opening high pressure components of the fuel injection system, pressure must be relieved to residual pressure => [
High-Pressure Fuel Injection System, Pressure Relief ] See: Cylinder Head Assembly/Fuel Pressure Release/Service and Repair.
‹› Then wrap a clean rag around the connection and relieve residual pressure by carefully loosening the connection.
‹› Do not change bend shape
‹› Tighten high-pressure lines => [ Hand-tighten union nuts of high-pressure
lines , and. ] See: Lower Intake Manifold with Fuel Rail.
5
10 Nm