A6 Quattro Sedan V6-3.2L (BKH) (2005)
/Page-4732001.png)
Suspension Control Pressure Sensor/Switch: Service and Repair
Front Suspension
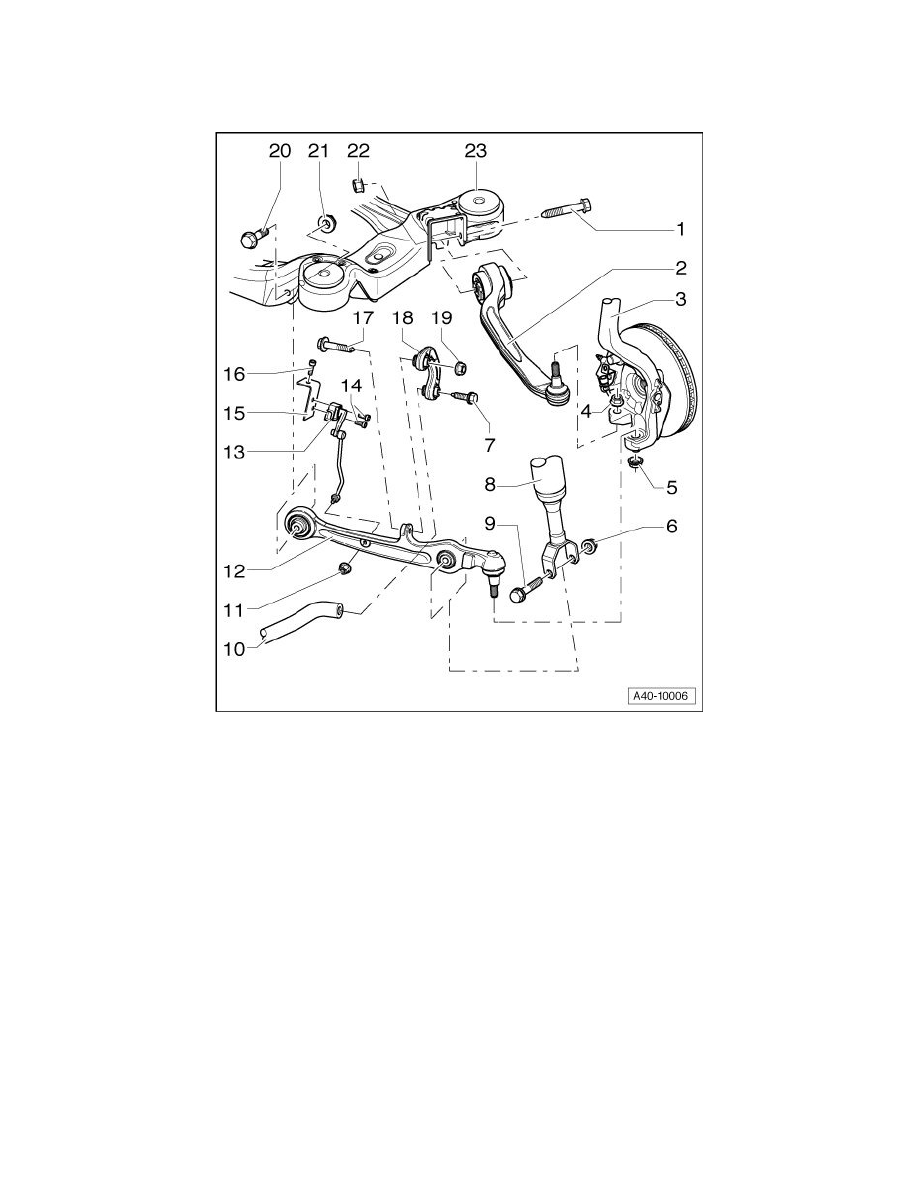
Track Control Arm, Guide Link and Level Control System Sensor Assembly Overview
1
Bolt
‹› 70 Nm plus an additional 180° turn
‹› Always replace after removal
2
Guide Link
‹› Removing and installing, refer to => [ Guide Link ] See: Suspension/Radius Arm/Service and Repair/Guide Link
‹› Replace guide control arm bearings, refer to => [ Guide Link Bearing ] See: Suspension/Radius Arm/Service and Repair/Guide Link Bearing
3
Wheel Bearing Housing
4
Self-locking nut
‹› 110 Nm
‹› Always replace after removal
‹› After loosening threaded connection of guide control arm to wheel bearing housing, adhesive residue must be removed on thread of linkage
stub.
5
Self-locking nut