A6 Quattro Sedan V8-4.2L (BVJ) (2007)
Rear Bumper Reinforcement: Service and Repair
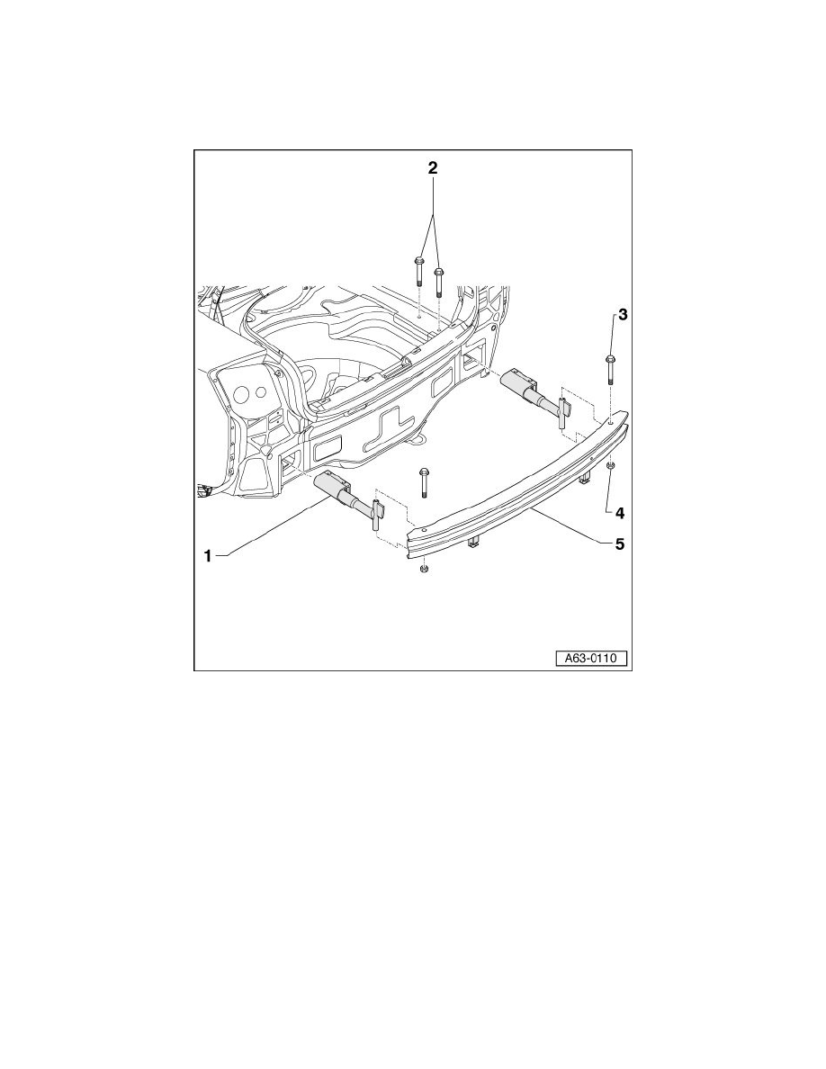
Bumper Crossmember
Bumper Crossmember
‹› Bumper cover removed.
1 - Shock absorber
2 - Bolt
‹› 10 Nm
‹› Quantity: 4
3 - Bolt
‹› 20 Nm
‹› Quantity: 2
4 - Nut
‹› 20 Nm
‹› Quantity: 2
5 - Cross member
