A6 Quattro Sedan V8-4.2L (BVJ) (2007)
Trunk / Liftgate Handle: Service and Repair
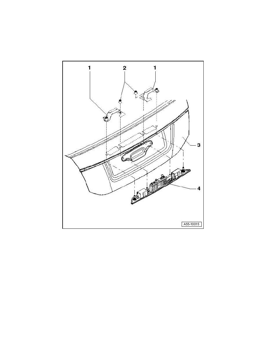
Rear Lid Grip
-
Lid trim removed
-
Lid trim and lock cylinder removed
-
Remove combination screws- 2 - and disconnect release.
1
Cover plate
2
Combination nuts
‹› 5 Nm
3
Rear lid
4
Handle
Removal:
-
Remove combination screws - 2 - and remove cover plates - 1 -.
-
Press catches on grip piece and remove grip piece from lid.
Installing:
-
Insert grip piece into lid until locking tabs engage.
