A6 Quattro Sedan V8-4.2L (BVJ) (2007)
Trailer Hitch: Service and Repair
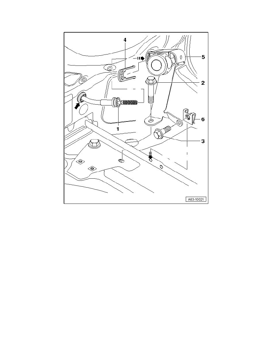
Trailer Hitch Cable
1
Trailer Hitch Cable
CAUTION!
When removing bumper cover crossmember, you can only disengage the cable - 1 - at the hand wheel - 5 -. You should not remove the cable
from the trailer hitch at the swivel joint under any circumstances.
-
Before removing trailer hitch, remove locking clamp- 4 -from hand wheel - 5 -.
-
Pull out cable - 1 - from housing - 5 -.
-
Push cable through grommet - arrow -
-
When installing, check for correct grommet seating- arrow - in rear cross panel
2
Hex head bolt
‹› 20 Nm
3
Hex head bolt
‹› 20 Nm
4
Locking clamp
-
Insert cable in hand wheel.
