A6 Quattro Sedan V8-4.2L (BVJ) (2007)
/Page-3954001.png)
Brake Pedal Assy: Service and Repair
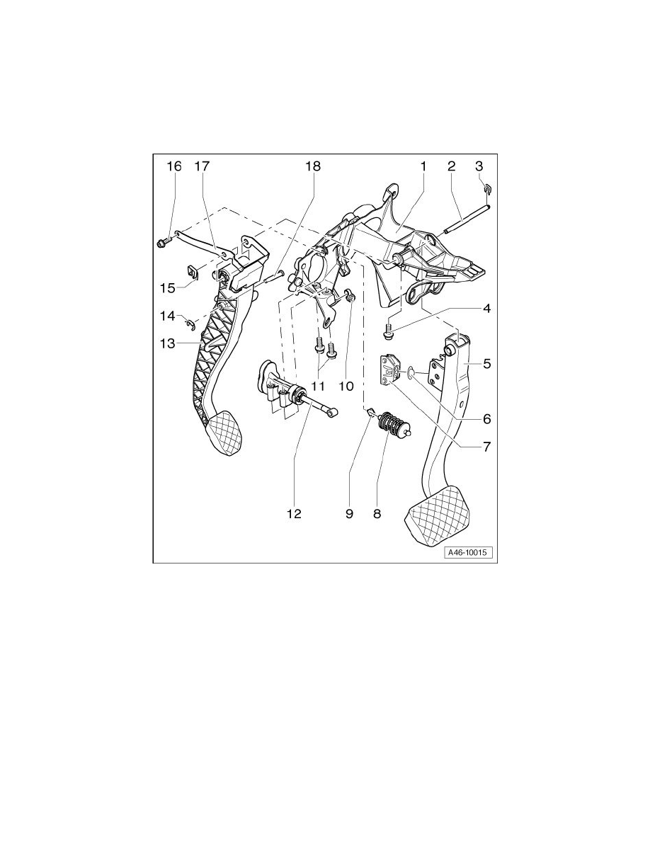
Brake Pedal Assembly Overview, Manual Transmission
Brake Pedal Assembly Overview, Manual Transmission
CAUTION!
The path of the brake pedal must not be shortened via extra floor mats.
‹› Lubricate all bearing and contact surfaces with lubricant part no. Lubricant (G 000 450 02).
1 - Mounting bracket for pedal assembly
‹› Manual transmission illustration
2 - Pin
3 - Securing clip (spring steel)
4 - Torx flange bolt, 10 Nm
5 - Brake pedal
‹› Removing and installing, refer to => [ Brake Pedal ] See: Brake Pedal
6 - Ball socket formed in mount
7 - Mount
‹› For ball head of brake servo push rod