audi Workshop Repair Guides

Audi Workshop Service and Repair Manuals

Brake Caliper, Servicing|Page 11123 > < Brake Caliper, Servicing|Page 11120
Page 1
background image

Brake Caliper: Overhaul
Brake Caliper, Servicing

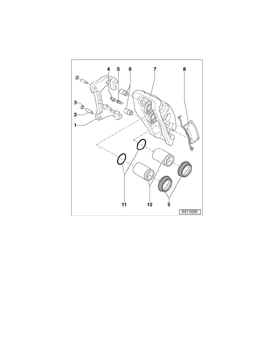
Brake caliper, servicing

Note: 
^

Install complete repair kit when servicing.

^

Apply thin coat of Assembly Paste to brake cylinders, pistons and seals.

1. Brake carrier

^

Bolt to brake caliper housing

2. Guide pins

^

Torque specification, 30 Nm

3. Caps

^

Insert in bushing

4. Protective cap

^

Push onto bleeder valve

5. Bleeder valve

^

Torque specification, 10 Nm

6. Bushing

^

Insert in brake caliper housing

7. Brake caliper housing

8. Retaining spring

^

Observe correct installed position.

^

Hook in at both brake caliper housing studs and at outer brake pad retaining spring.

Brake Caliper, Servicing|Page 11123 > < Brake Caliper, Servicing|Page 11120