audi Workshop Repair Guides

Audi Workshop Service and Repair Manuals

Brake Caliper, Servicing|Page 11253 > < Front Brakes, FN3 Caliper|Page 11248
Page 1
background image

Brake Caliper: Overhaul
Brake Caliper, Servicing

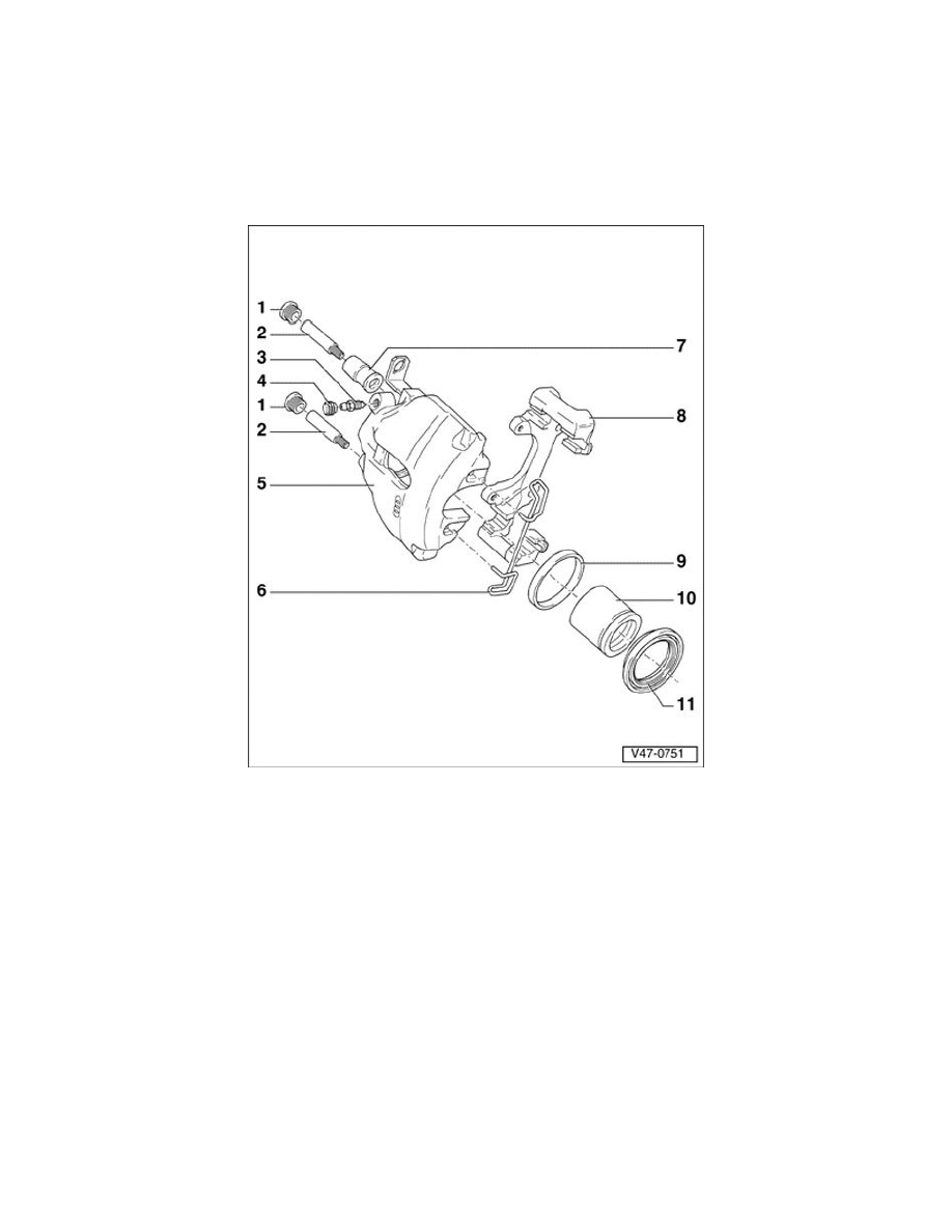
Brake caliper, servicing

Note: 
^

Install complete repair kit when servicing.

^

New brake calipers are filled with brake fluid and are pre-bled.

^

Apply thin coat of assembly paste G 052 150 A2 to brake cylinders, pistons and seals.

1. Caps

^

Insert in bushing

2. Guide pins, 30 Nm (18 ft lb)

3. Bleed valve, 10 Nm

^

Apply a thin coat of assembly paste G 052 150 A2 to threads before installing.

4. Protective cap

^

Push onto bleeder valve

5. Brake caliper housing

6. Retaining spring

^

Insert with both ends in holes of brake caliper housing

Note: 
^

Retaining spring must be pressed under brake carrier after it is inserted in both holes. If improperly installed, the wear of the outer brake pad
cannot be adjusted, thereby increasing brake pedal travel.

7. Bushing

^

Insert in brake caliper housing

Brake Caliper, Servicing|Page 11253 > < Front Brakes, FN3 Caliper|Page 11248