A6 Quattro Sedan V8-4.2L (BVJ) (2007)
Brake Caliper: Overhaul
Brake Caliper, Servicing
Brake caliper, servicing
Note:
^
Install complete repair kit when servicing.
^
Apply thin coat of assembly paste G 052 150 A2 to brake cylinders, pistons and seals.
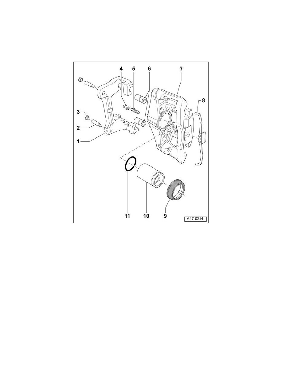
1. Brake carrier
^
Bolt to brake caliper housing
2. Guide pins, 30 Nm (18 ft lb)
3. Caps
^
Insert in bushing
4. Protective cap
^
Push onto bleeder valve
5. Bleeder valve, 15 Nm
^
Apply a thin coat of assembly paste G 052 150 A2 to threads before installing.
6. Bushing
^
Insert in brake caliper housing
7. Brake caliper housing
8. Retaining spring
^
Observe correct installed position.
^
Hook in at both brake caliper housing studs and at outer brake pad retaining spring.
9. Protective cap
