audi Workshop Repair Guides

Audi Workshop Service and Repair Manuals

Brake Caliper, Servicing|Page 11272 > < Brake Caliper, Servicing|Page 11269
Page 1
background image

Brake Caliper: Overhaul
Brake Caliper, Servicing

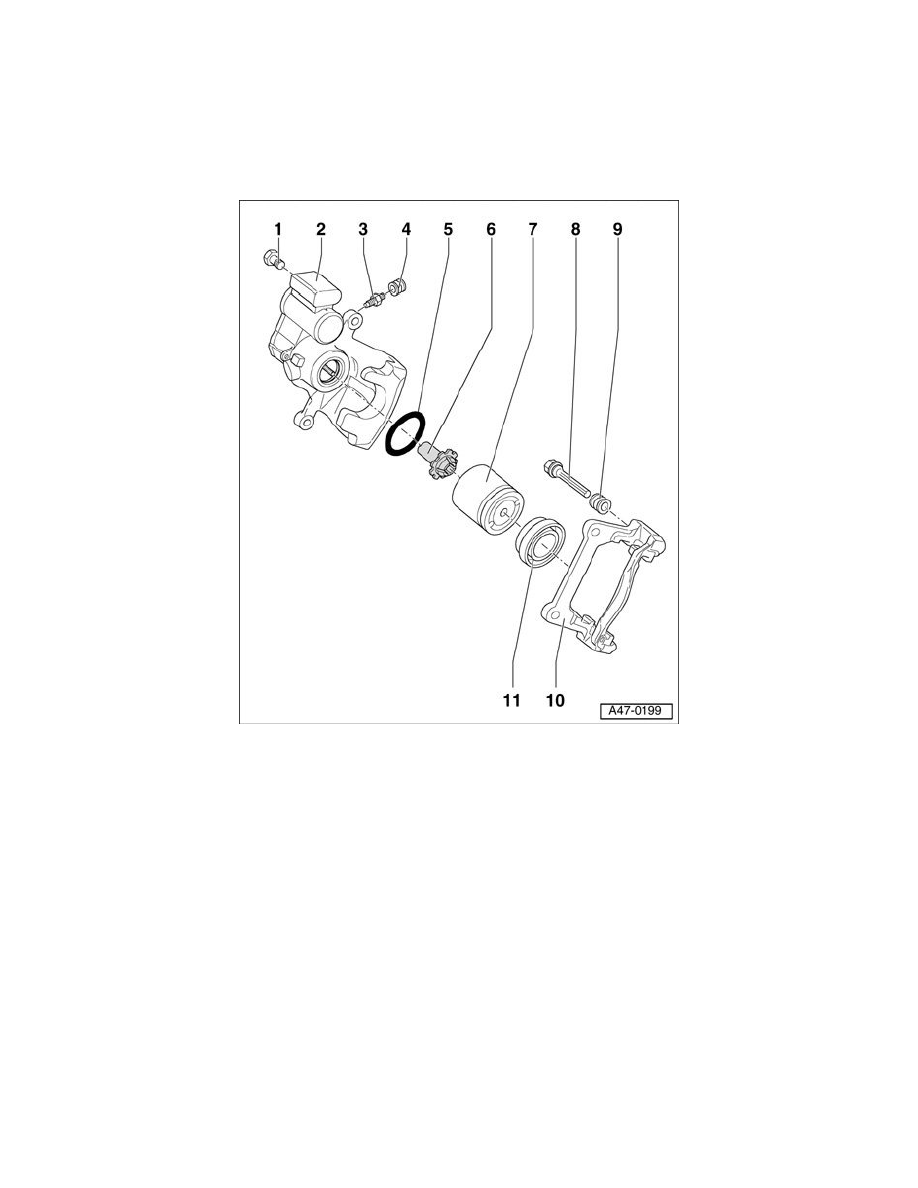
Brake caliper, servicing

Note: 
^

When performing repairs install all of the parts supplied in repair kit.

^

Apply thin coat of assembly paste G 052 150 A2 to brake cylinders, pistons and seals.

1. Self-locking bolt, 35 Nm

^

Always replace

^

When loosening and tightening, counter-hold at guide pin

2. Brake caliper housing with actuator

3. Bleeder valve, 10 Nm

4. Dust cap

^

Push onto bleeder valve

5. Sealing ring

6. Pressure nut

^

To operate parking brake

7. Pistons

8. Guide pins

^

Grease before pulling on protective cap

9. Protective cap

^

Pull onto brake carrier and guide pin

Brake Caliper, Servicing|Page 11272 > < Brake Caliper, Servicing|Page 11269