audi Workshop Repair Guides

Audi Workshop Service and Repair Manuals

Engine Control Module|Page 1212 > < Voltage Supply, Checking|Page 1209
Page 1
background image

Engine Control Module: Service and Repair
Engine Control Module

Engine Control Module

Special tools, testers and auxiliary items required

‹› Hot air gun from Wiring Harness Repair Kit (VAS 1978A).

‹› Nozzle attachment from Wiring Harness Repair Kit (VAS 1978A)

‹› Small commercially available locking pliers

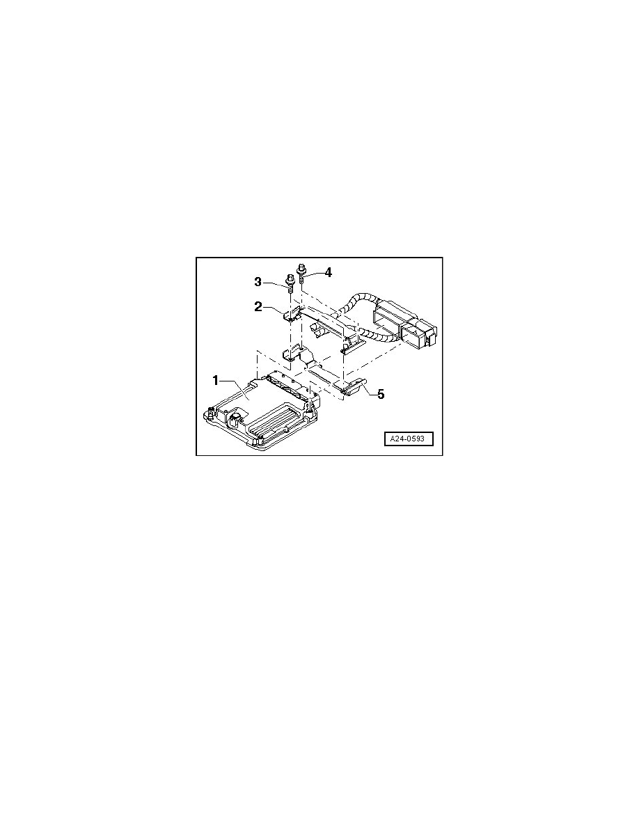
‹› Some engine control modules are not equipped with a protective housing. The removal and installation of the protective housing depends on the

engine and transmission combination.

‹› The Engine Control Module (ECM) - 1 - is bolted to a protective housing - 5 -. To make removing the shear bolts -  4 - for the retaining tabs - 2 -

more difficult, the threads are coated with locking compound.

‹› The protective housing must be removed to disconnect the connectors from the engine control module.

Removing

-

If the engine control module is replaced, select "Guided Functions " on the Vehicle Diagnosis, Testing and Information System (VAS 5051B) and
then "Replace engine control module ".

-

Turn the ignition and remove the ignition key.

-

Remove rubber seal - 1 - for plenum chamber cover. 

-

Remove plenum chamber cover - 2 -.

Engine Control Module|Page 1212 > < Voltage Supply, Checking|Page 1209