audi Workshop Repair Guides

Audi Workshop Service and Repair Manuals

Steering Column Control Module Harness Connector Assignments|Page 1412 > < How to Find Wiring Diagrams|Page 1409
Page 1
background image

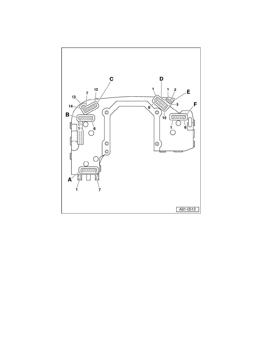
Steering Column Control Module: Connector Views
Steering Column Control Module Harness Connector Assignments

Steering Column Control Module Harness Connector Assignments

Front side

A - 7-pin harness connector CCS

1 - Terminal 31

2 - SET

3 - Distance

4 - Voltage supply

5 - Resume/touch (off)

6 - Acceleration/deceleration

7 - Engaged (Off)

B - 6-pin harness connector turn signal

1 - Terminal 31

2 - Radio telephone (special-purpose vehicles)

Steering Column Control Module Harness Connector Assignments|Page 1412 > < How to Find Wiring Diagrams|Page 1409