A6 Quattro Sedan V8-4.2L (BVJ) (2007)
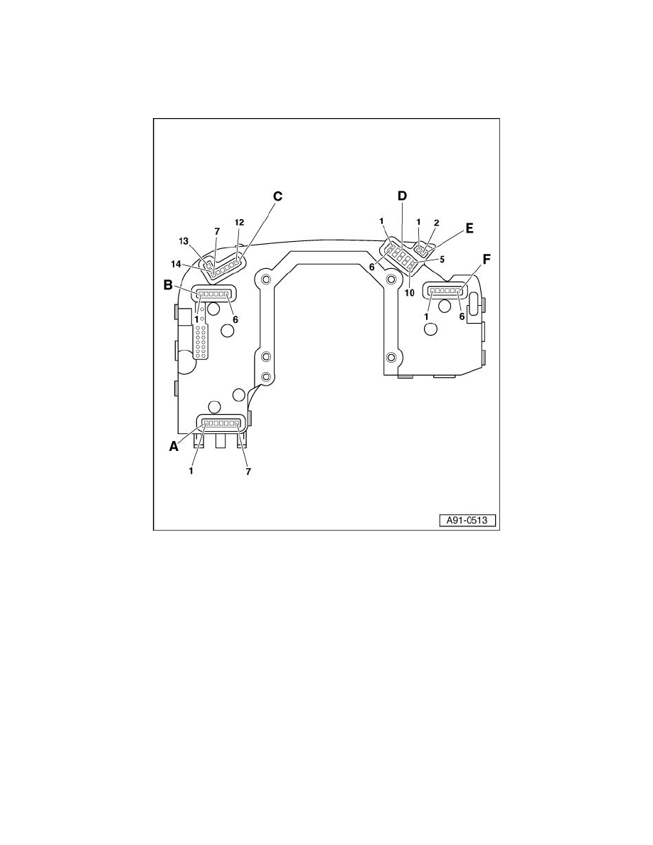
Steering Column Control Module: Connector Views
Steering Column Control Module Harness Connector Assignments
Steering Column Control Module Harness Connector Assignments
Front side
A - 7-pin harness connector CCS
1 - Terminal 31
2 - SET
3 - Distance
4 - Voltage supply
5 - Resume/touch (off)
6 - Acceleration/deceleration
7 - Engaged (Off)
B - 6-pin harness connector turn signal
1 - Terminal 31
2 - Radio telephone (special-purpose vehicles)
