audi Workshop Repair Guides

Audi Workshop Service and Repair Manuals

Steering Column Control Module J527|Page 13409 > < Steering Column Control Module J527|Page 13407
Page 1
background image

Steering Column Control Module: Service and Repair
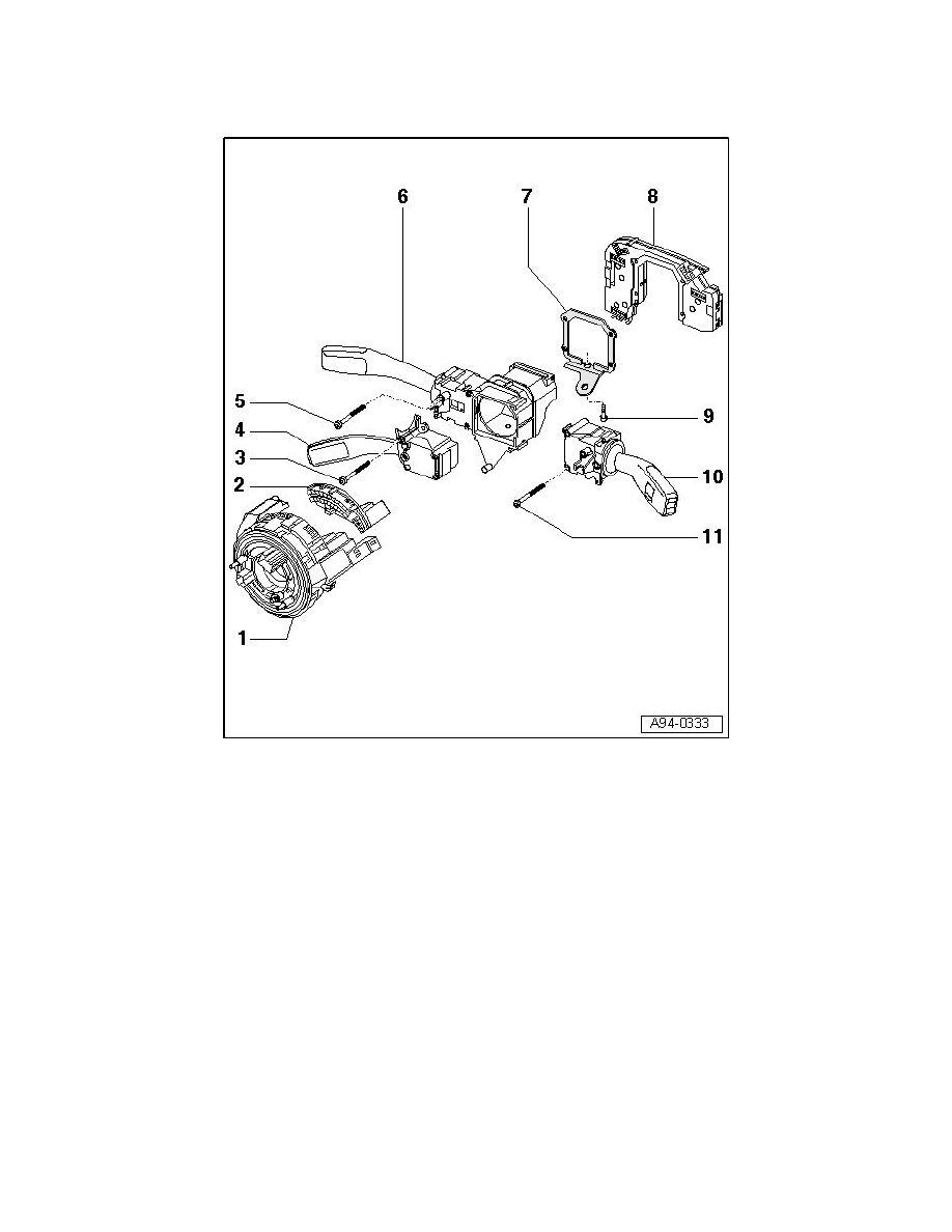
Steering Column Switch Module Assembly Overview

Steering Column Switch Module Assembly Overview

1

Coil connector with slip ring

‹› Removing and installing, refer to=> [ Airbag Spiral Spring/Return Spring With Slip Ring ] See: Lighting and Horns/Sensors and Switches -

Lighting and Horns/Combination Switch/Service and Repair

CAUTION!
Coil connector with slip ring is not to be turned following removal. 

2

Steering Angle Sensor (G85)

‹› Removing and installing, refer to => [ Steering Angle Sensor ] See: Lighting and Horns/Sensors and Switches - Lighting and

Horns/Combination Switch/Service and Repair

3

Socket head bolt - 0.65 Nm

4

Cruise Control Switch (E45)

‹› Removing and installing, refer to=> [ Cruise Control Switch ] See: Lighting and Horns/Sensors and Switches - Lighting and

Horns/Combination Switch/Service and Repair

5

Socket head bolt - 0.65 Nm

6

Turn Signal Switch (E2)

Steering Column Control Module J527|Page 13409 > < Steering Column Control Module J527|Page 13407