audi Workshop Repair Guides

Audi Workshop Service and Repair Manuals

Steering Mounted Controls Communication Module|Diagrams > < How to Find Wiring Diagrams|Page 13429
Page 1
background image

Steering Mounted Controls Communication Module: Locations

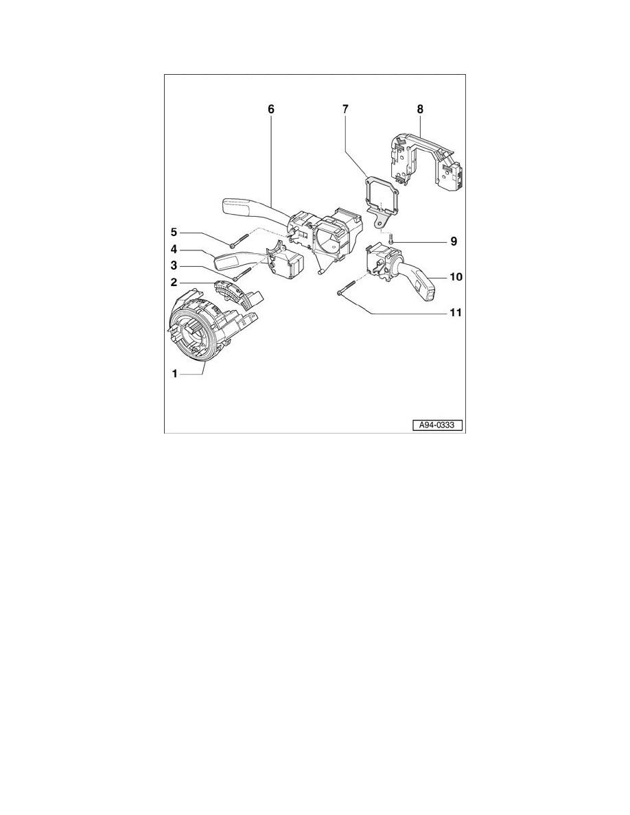
Steering Column Switch Module (SCSM) - Component Overview

1. Return spring with slip ring

CAUTION:  Spiral spring must not be turned following removal.

2. Steering Angle Sensor G85
3. Cylinder bolt (0.65 Nm)
4. Cruise Control Switch E45
5. Cylinder bolt (0.65 Nm)
6. Turn Signal Switch E2
7. Retaining bracket
8. Steering Column Electronic Systems Control Module J527

-

Connector assignment of Steering Column Electronic Systems Control Module J527

9. Clamping screw (3 Nm)

10. Windshield Wiper/Washer Switch E22
11. Cylinder bolt (0.65 Nm)

Steering Mounted Controls Communication Module|Diagrams > < How to Find Wiring Diagrams|Page 13429