A6 Quattro Sedan V8-4.2L (BVJ) (2007)
Steering Mounted Controls Communication Module: Connector Views
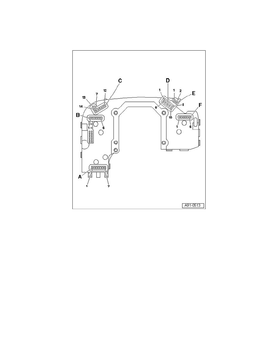
Connectors on Steering Column Electronic Systems Control Module J527
Connectors on Steering Column Electronic Systems Control Module J527
Front side
A - 7-pin harness connector CCS
1. Terminal 31
2. SET
3. Distance
4. voltage supply
5. Resume/touch (off)
6. Acceleration/deceleration
7. Engaged (Off)
B - 6-pin harness connector turn signal
1. Terminal 31
2. Radio telephone (special-purpose vehicles)
3. Alarm (special-purpose vehicles)
5. Headlight flasher/light control
6. Turn signal indicators
C - 8-pin harness connector for multi-function steering wheel, Tiptronic and heated steering wheel
7. Touch (-)
8. Terminal 30
9
Multi-function steering wheel (data)
10. Tip- "+"
11. Multi-function steering wheel dimmer
12. Tiptronic Ground (GND)
13. Steering wheel heating (+)
14. Steering wheel heating (-)
