A6 Quattro Sedan V8-4.2L (BVJ) (2007)
Steering Column Control Module: Service and Repair
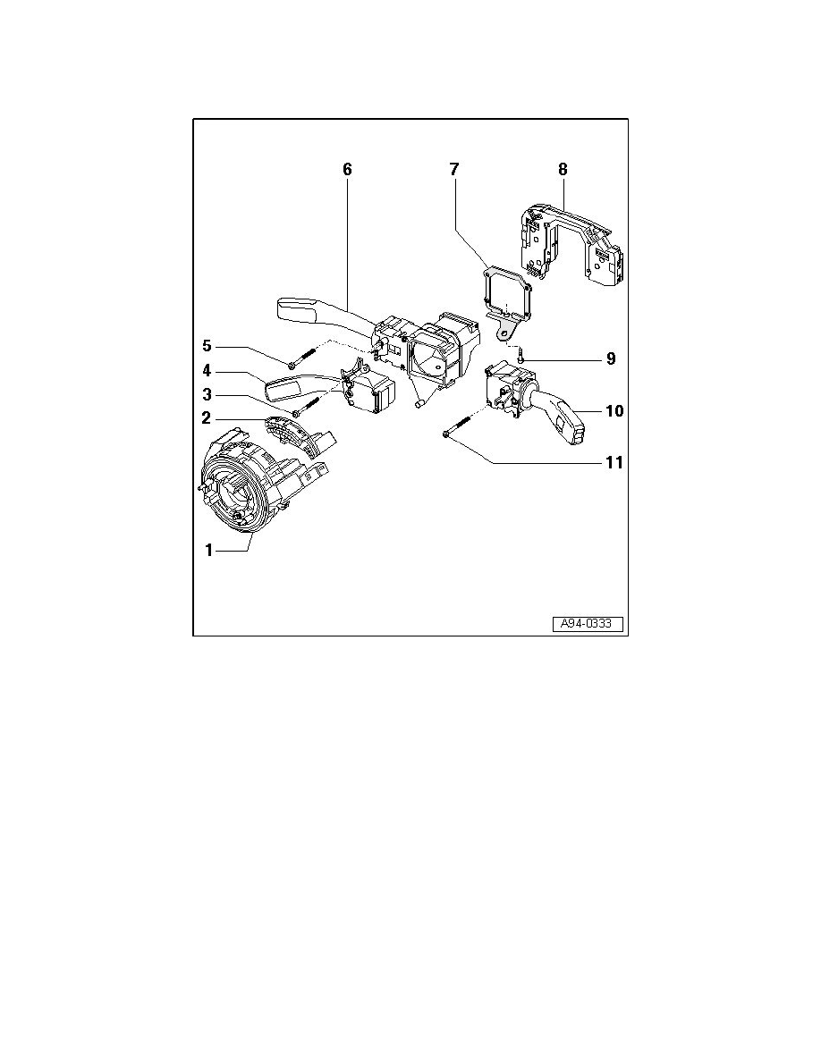
Steering Column Switch Module Assembly Overview
Steering Column Switch Module Assembly Overview
1
Coil connector with slip ring
‹› Removing and installing, refer to=> [ Airbag Spiral Spring/Return Spring With Slip Ring ] See: Lighting and Horns/Sensors and Switches -
Lighting and Horns/Combination Switch/Service and Repair
CAUTION!
Coil connector with slip ring is not to be turned following removal.
2
Steering Angle Sensor (G85)
‹› Removing and installing, refer to => [ Steering Angle Sensor ] See: Lighting and Horns/Sensors and Switches - Lighting and
Horns/Combination Switch/Service and Repair
3
Socket head bolt - 0.65 Nm
4
Cruise Control Switch (E45)
‹› Removing and installing, refer to=> [ Cruise Control Switch ] See: Lighting and Horns/Sensors and Switches - Lighting and
Horns/Combination Switch/Service and Repair
5
Socket head bolt - 0.65 Nm
6
Turn Signal Switch (E2)
