audi Workshop Repair Guides

Audi Workshop Service and Repair Manuals

Connectors on Steering Column Electronic Systems Control Module J527|Page 14196 > < How to Find Wiring Diagrams|Page 14193
Page 1
background image

Steering Mounted Controls Communication Module: Connector Views
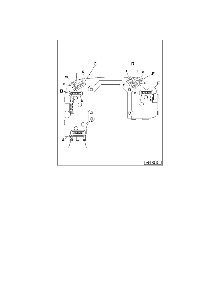
Connectors on Steering Column Electronic Systems Control Module J527

Connectors on Steering Column Electronic Systems Control Module J527

Front side

A - 7-pin harness connector CCS

1. Terminal 31 
2. SET 
3. Distance
4. voltage supply
5. Resume/touch (off) 
6. Acceleration/deceleration 
7. Engaged (Off)

B - 6-pin harness connector turn signal 

1. Terminal 31 
2. Radio telephone (special-purpose vehicles) 
3. Alarm (special-purpose vehicles) 
5. Headlight flasher/light control 
6. Turn signal indicators 

C - 8-pin harness connector for multi-function steering wheel, Tiptronic and heated steering wheel

7. Touch (-) 
8. Terminal 30 
9

Multi-function steering wheel (data) 

10. Tip- "+" 
11. Multi-function steering wheel dimmer 
12. Tiptronic Ground (GND) 
13. Steering wheel heating (+) 
14. Steering wheel heating (-) 

Connectors on Steering Column Electronic Systems Control Module J527|Page 14196 > < How to Find Wiring Diagrams|Page 14193