A6 Quattro Sedan V8-4.2L (BVJ) (2007)
Trailing Arm: Service and Repair
Rear Suspension (AWD)
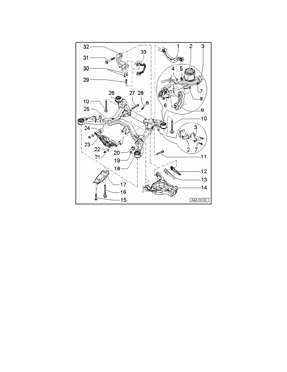
Subframe - All Wheel Drive (AWD), stabilizer bar, coupling rod, assembly overview
1 - Upper control arm
2 - Stabilizer
3 - Clamp
4 - Washer
5 - Hex nut, 65 Nm
6 - Hex bolt
7 - Hex bolt, 25 Nm
8 - Hex bolt, 65 Nm
9 - Coupling rod
10 - Hex bolt, 115 Nm plus an additional 90° turn
^
Always replace after removal
11 - Hex bolt, 85 Nm plus an additional 90° turn
^
Always replace after removal
12 - Tie rod
13 - Stone impact protection plate
