A6 Quattro Wagon V6-3.2L (BKH) (2006)
Intake Manifold: Locations
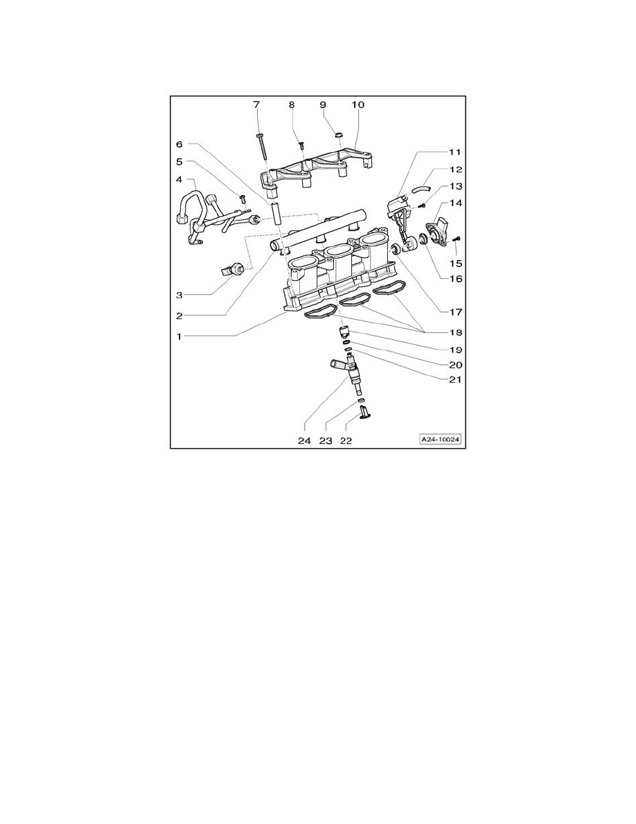
Intake Manifold Lower-Part, Assembly Overview
Intake Manifold Lower-part, Assembly Overview
1
-
Intake manifold lower part
-
After installation, adapt both intake manifold runner position sensors in operating mode "Guided Fault Finding" in "Adapting intake
manifold runner position sensor"
2
-
Fuel rail
3
-
Fuel Pressure Sensor G247
4
-
High-pressure lines
CAUTION: Before opening high pressure components of the Multiport Fuel Injection (MFI), pressure must be relieved to residual
pressure. Then wrap a clean rag around the connection and relieve residual pressure by carefully loosening the connection.
-
Do not change bend shape
-
Tighten high-pressure lines
5
-
10 Nm
6
-
Sleeve
7
-
10 Nm
8
-
2.5 Nm
9
-
10 Nm
10
-
Retaining bracket for fuel rail
11
-
Vacuum actuator for intake manifold runner control
12
-
Vacuum hose
-
To Intake Manifold Runner Control (IMRC) Valve N316
13
-
2.5 Nm
14
-
Intake Manifold Runner Position Sensor
-
Left Intake Manifold Runner Position Sensor 2 (P2020) G512 , right Intake Manifold Runner Position Sensor G336
15
-
2.5 Nm
16
-
Oil seal
-
Replace if damaged
-
Lift out with screwdriver to replace
