A6 Quattro Wagon V6-3.2L (BKH) (2006)
Steering Mounted Controls Communication Module: Locations
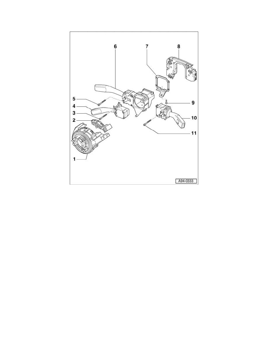
Steering Column Switch Module (SCSM) - Component Overview
1. Return spring with slip ring
CAUTION: Spiral spring must not be turned following removal.
2. Steering Angle Sensor G85
3. Cylinder bolt (0.65 Nm)
4. Cruise Control Switch E45
5. Cylinder bolt (0.65 Nm)
6. Turn Signal Switch E2
7. Retaining bracket
8. Steering Column Electronic Systems Control Module J527
-
Connector assignment of Steering Column Electronic Systems Control Module J527
9. Clamping screw (3 Nm)
10. Windshield Wiper/Washer Switch E22
11. Cylinder bolt (0.65 Nm)
