A8L V8-4.2L (BFM) (2004)
/Page-7614001.png)
Power Seat Motor: Service and Repair
Left Rear Seat Fore/Aft Adjustment Motor V87 and Right Rear Seat Fore/Aft Adjustment Motor V88
, Removing and Installing
Left Rear Seat Fore/Aft Adjustment Motor V87 And Right Rear Seat Fore/Aft Adjustment Motor V88, Removing And Installing
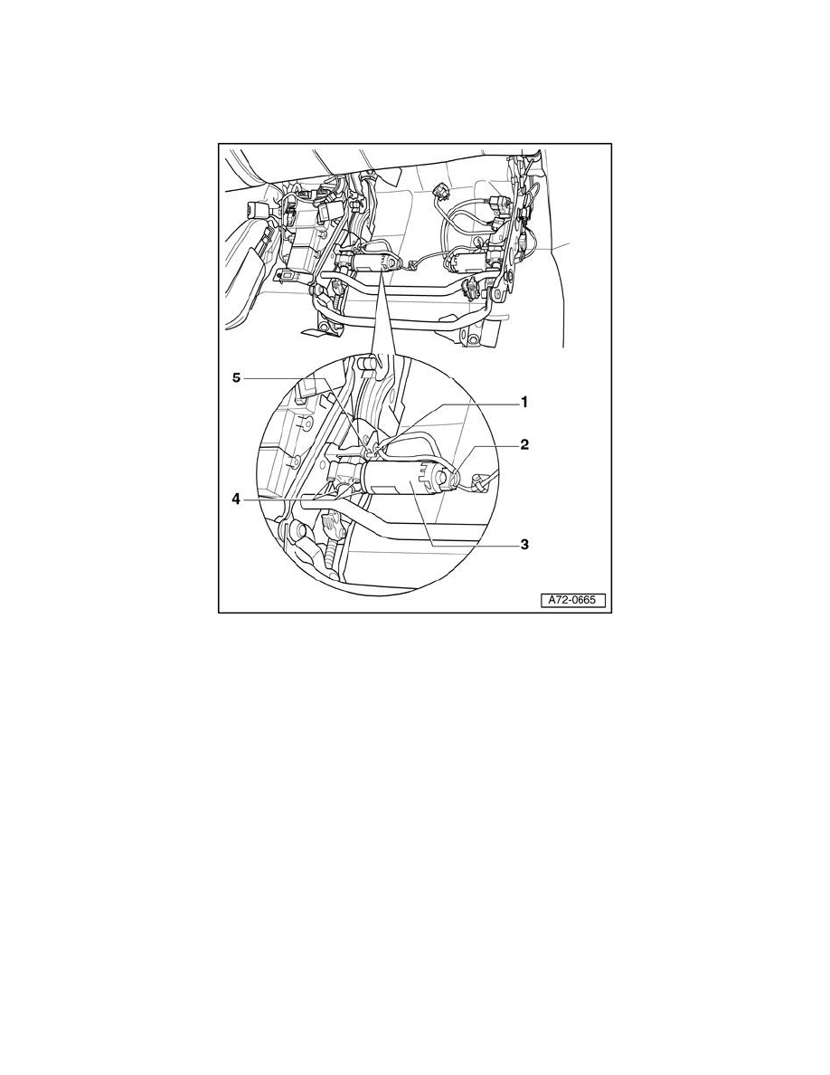
1
-
Pin
2
-
Connector
3
-
Left Rear Seat Fore/Aft Adjustment Motor V87 and Right Rear Seat Fore/Aft Adjustment Motor V88
-
Removing
-
Remove seat pan.
-
Remove individual rear seat.
-
Disconnect connector - 2 -.
-
Use hammer to knock out pin - 1 -.
-
Remove bolts - 4 - (4x).
-
Remove fore-and-aft adjustment motor - 3 -.
-
Installing
-
Install fore-and-aft adjustment motor - 3 - in reverse order of removal.
-
Secure pin - 1 - with lock washer - 5 -.
4
-
Bolts (4x)
5
-
Lock washer