A8L V8-4.2L (BFM) (2004)
/Page-3790001.png)
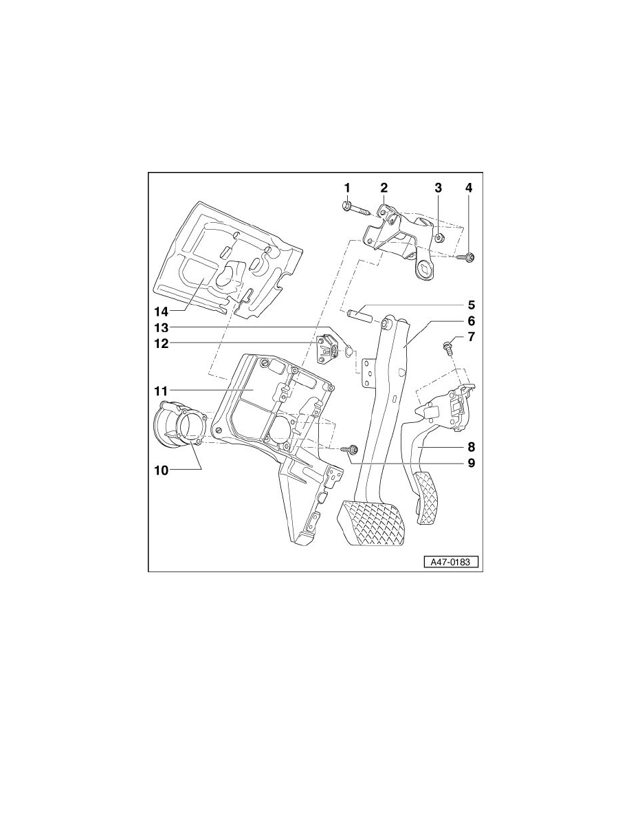
Brake Pedal Assy: Service and Repair
Brake Pedal Assembly Overview
Brake Pedal Assembly Overview
The path of the brake pedal must not be shortened via extra floor mats.
‹› Lubricate all bearing and contact surfaces with grease no. G 000 450 02.
1 - Bolt
2 - Brake Pedal Mounting Bracket
3 - Nut
‹› Torque specification: 25 Nm
4 - Bolt
‹› Torque specification: 25 Nm
5 - Sleeve
6 - Brake Pedal
‹› Insert sleeve