A8L V8-4.2L (BFM) (2004)
/Page-3804001.png)
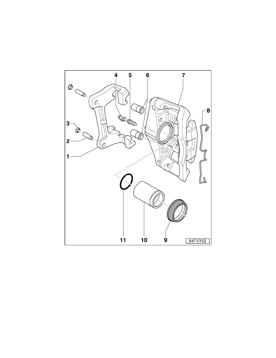
Brake Caliper: Removal and Replacement
Front Brake Caliper Assembly Overview, FNR G60
Front Brake Caliper Assembly Overview, FNR G60
‹› Install complete repair kit when servicing.
‹› Apply thin coat of assembly paste (G 052 150 A2) to brake cylinders, pistons and seals.
1 - Brake Carrier
‹› Bolt to brake caliper housing.
2 - Guide Pins
‹› Torque specification: 30 Nm
3 - Caps
‹› Insert in bushing.
4 - Protective Cap
‹› Push onto bleeder valve.
5 - Bleeder Valve