Q7 Quattro V6-3.6L (BHK) (2007)
Refrigerant: Service and Repair
A/C Refrigerant System, Servicing
A/C Refrigerant System, Servicing
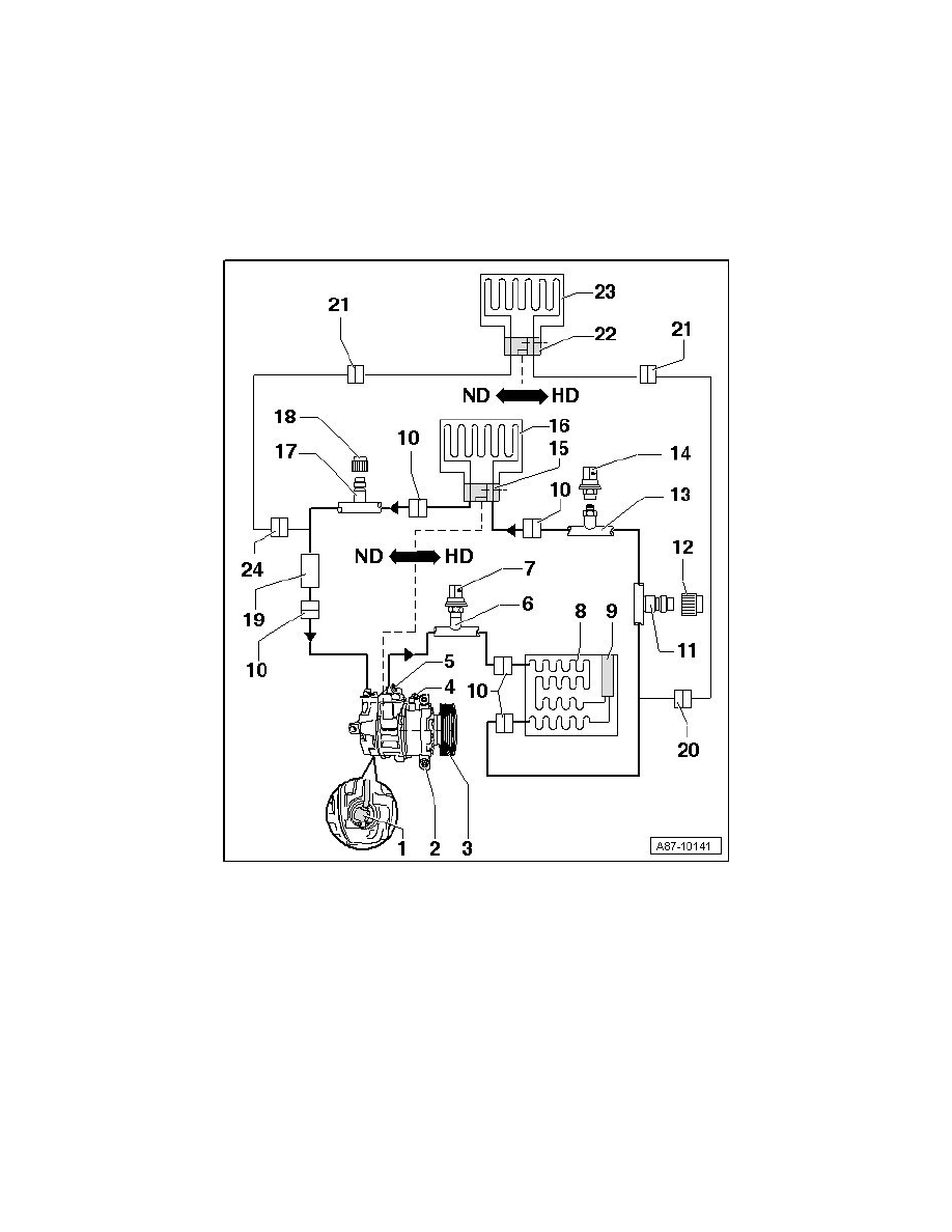
‹› This illustration shows in one overview the various refrigerant circuit components, the exact arrangement inside the vehicle depends on version
and engine.
HP = High pressure side
LP = Low pressure side
1
A/C Compressor Regulator Valve (N280)
‹› Checking activation and function => [ A/C Compressor Regulator Valve, Checking Switch-On Signal ] See: Heating and Air
Conditioning/Expansion Valve/Testing and Inspection.
‹› Do not remove
‹› A/C Compressor Regulator Valve (N280) is activated by front A/C control head Climatronic Control Module (J255), it controls pressure on low
pressure side of refrigerant circuit
2
Compressor
‹› Removing compressor from bracket and re-installing in vehicles with 6 cyl. engine => [ Compressor Bracket ] See: Heating and Air
Conditioning/Compressor HVAC/Service and Repair/Compressor Bracket
‹› Refrigerant circuit must be discharged to remove compressor from bracket in vehicles with 8-cyl engine => [ Compressor, 8-Cylinder ] .
