Q7 Quattro V6-3.6L (BHK) (2007)
/Page-4844001.png)
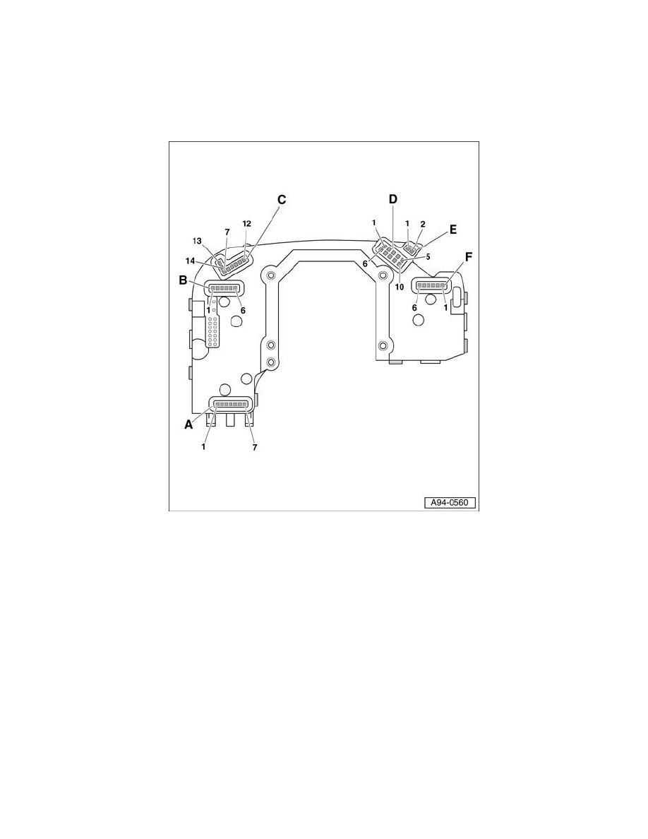
Steering Mounted Controls Communication Module: Connector Views
Steering Column Electronic Systems Control Module J527 - Front, Connector Assignment
Steering Column Electronic Systems Control Module J527 - Front, Connector Assignment
-
Steering Column Electronic Systems Control Module J527 is part of the entire "steering column switch module" (SCSM) system. and receives
signals from steering column switch, for example.
-
Diagnosis is performed using "Guided Fault-Finding".
A - Cruise control/ACC connector
1. Ground (GND)
2. Set
3. Distance
4. 12 V power supply
5. Activation/touch function "Off"
6. Acceleration/deceleration
7. Locked "Off"
B - Turn signal indicator connector
1. Ground (GND)
2. Radio telephone (special-purpose vehicles)
3. Alarm (special-purpose vehicles)
4. Not used
5. Headlamp flasher/light control
6. Turn signal indicators
C - Harness connector of multi-function steering wheel/Tiptronic/heated steering wheel
7. Touch ""
8. Multi-function steering wheel "+" power supply
9. Multi-function steering wheel/data