TT Coupe L4-1.8L Turbo (AWP) (2005)
Receiver Dryer: Service and Repair
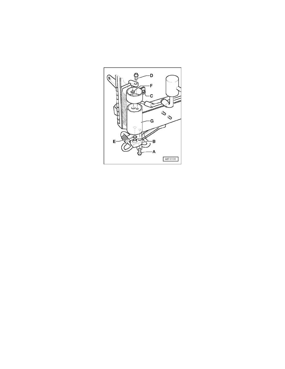
Receiver Drier, Removing and Installing
Receiver Drier, Removing And Installing
-
Discharge refrigerant circuit
NOTE: Depending on engine version and sound absorbing panel, improved access may be obtained by removing support brace between left and
right long-member, and/or removing connecting pipe between intercoolers.
-
Remove bolt -A-, tightening torque 15 Nm (11 ft lb).
-
Detach refrigerant pipes -B-.
-
Unscrew hex nut -C-.
-
Remove bolt -D-, tightening torque 15 Nm (11 ft lb).
-
Pull receiver -G- downwards out of bracket.
NOTE:
-
Replacing components
-
Always replace both O-rings -E- and -F- (10.8 mm; 1.8 mm).
-
Keep receiver drier sealed for as long as possible. Only remove caps immediately before installing. Receiver drier contains dessicant which
quickly becomes saturated and rendered useless if the caps are left off.
-
The removed original receiver drier contains refrigerant oil. The equivalent amount of oil must be returned to the refrigerant system in the
replacement new receiver drier.
-
It may be sufficient to adjust the quantity of refrigerant oil in the receiver drier. For example, if only slightly damaged in an accident (i.e. no
refrigerant loss, no moisture or dirt in system), the A/C can be serviced by comparing the weights of the old and new receivers, then filling the new
receiver drier with refrigerant oil until it weighs the same as the damaged one.
