3 Series E36 316i (M43) COUPE
34 00 ...
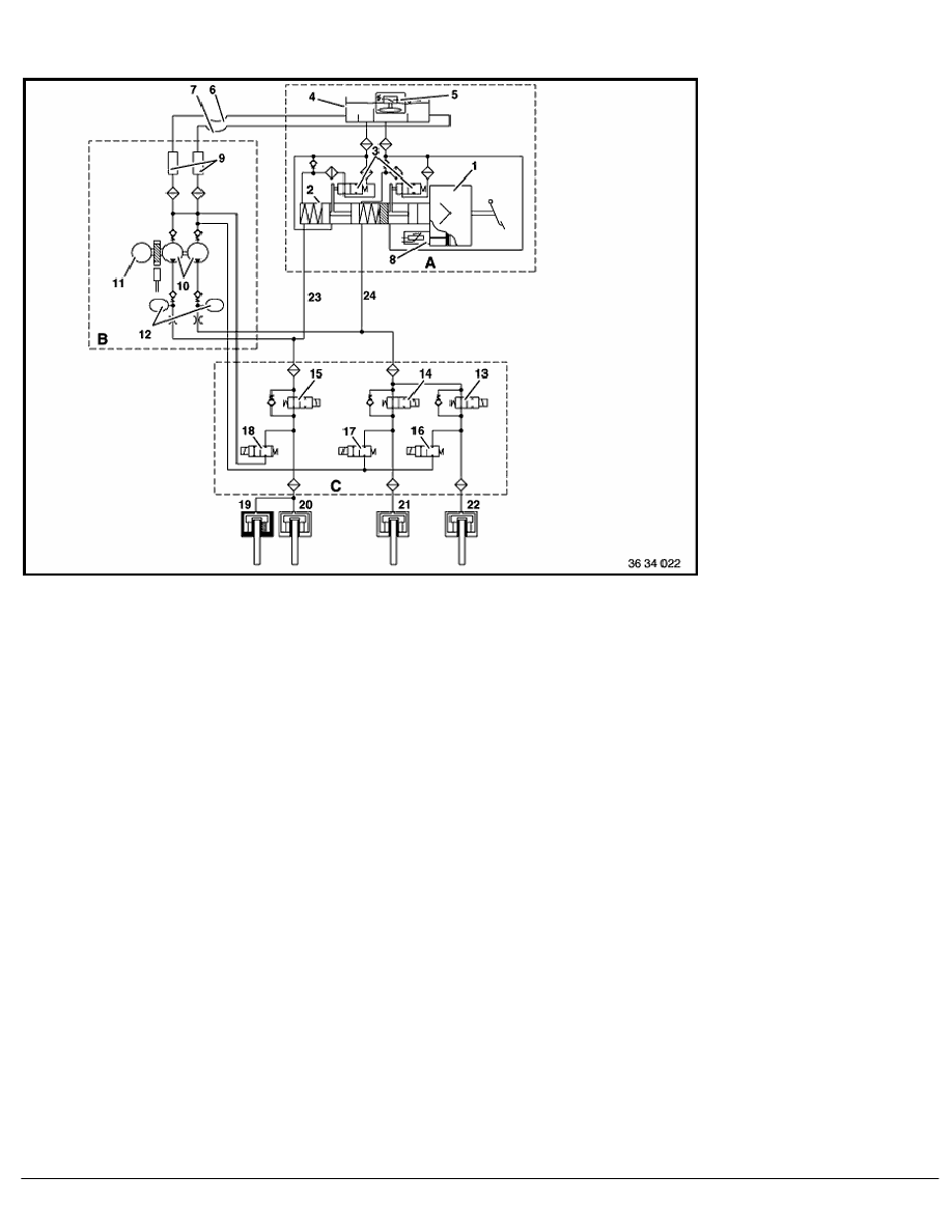
Teves Mark IV / 3 ABS Hydraulic Wiring Diagram
A Actuation
1
Vacuum brake booster
2
Tandem-brake master cylinder
3
Central valve
4
Expansion tank
5
Warning device
6
Suction hose
7
Suction hose
8
Travel sensor/distance sensor
B Power supply
9
Elbow connector
10
Hydraulic pump
11
DC motor with speed sensor
12
Damper chamber
C Valve block
13
Inlet valve, front left
14
Inlet valve, front right
15
Inlet valve, rear right
16
Outlet valve, front left
17
Outlet valve, front right
18
Outlet valve, rear right
19
HR - rear right
20
HL - rear left
21
VR - front right
22
VL - front left
23
Float circuit
24
Push-rod circuit
RA Teves Mark IV / 3 ABS Hydraulic Wiring Diagram
BMW AG - TIS
19.01.2013 14:37
Issue status (12/2007) Valid only until next DVD is issued
Copyright
Page - 1 -
