3 Series E36 318i (M43) SAL
61 12 ...
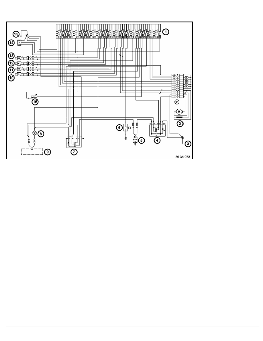
ABS Wiring Diagram
1
ABS control unit
2
Engine sensor
3
Earth
4
Pump relay
5
Battery
6
Brake-light switch
7
Master relay
8
ABS warning light
9
Ignition lock, terminal 15
10
Sensor, front left
11
Sensor, front right
12
Sensor, rear left
13
Sensor, rear right
14
Diagnosis connector
15
Earth
16
Travel sensor
Note:
For troubleshooting pin assignment, refer to Vehicle Electric/Electronic Test Plan.
RA ABS Wiring Diagram
BMW AG - TIS
25.01.2013 12:12
Issue status (12/2007) Valid only until next DVD is issued
Copyright
Page - 1 -
