3 Series E36 M3 (S52) CONVER
54 62 ...
Notes on rollover protection system (RPS)
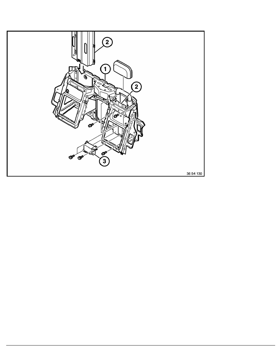
Design of passive rollover protection system (RPS):
Components:
-
Two independent (identical) cassettes (2), each with a retractable protective bracket
-
Two actuators (one in each cassette)
-
A rollover sensor (3), mounted outside on the left cassette
-
A convertible top module (CVM) installed behind the left side panel trim
The cassettes are pushed into the shafts provided in front of the partition wall (1) and bolted on.
refer to 54 62 001
Function of rollover protection system (RPS):
-
Up to 9/ 97 the (RPS) can be diagnosed via the convertible top module (CVM).
-
From 9/ 97 the (RPS) can be diagnosed via the "rollover protection sensor II" control unit.
-
The number of activations and faults will be stored in the convertible top module (CVM) or rollover protection
sensor II.
-
From terminal "R", the system is able to function.
-
Once it has been switched on, the rollover sensor performs a self-test lasting 6 seconds (yellow telltale on
dashboard lights up). If the telltale fails to go out after approx. 6 seconds, this means: fault in system. The fault
will be stored permanently and can be read via diagnosis.
-
After a power failure in the vehicle circuit, the sensor is still able to activate the RPS for a further 10 seconds
(approx.). The energy required for this is stored in the condensers attached to the rollover sensor. The
RA Notes on rollover protection system (RPS)
BMW AG - TIS
10.02.2013 09:39
Issue status (12/2007) Valid only until next DVD is issued
Copyright
Page - 1 -
