3 Series E46 325i (M54) SAL
11 12 719
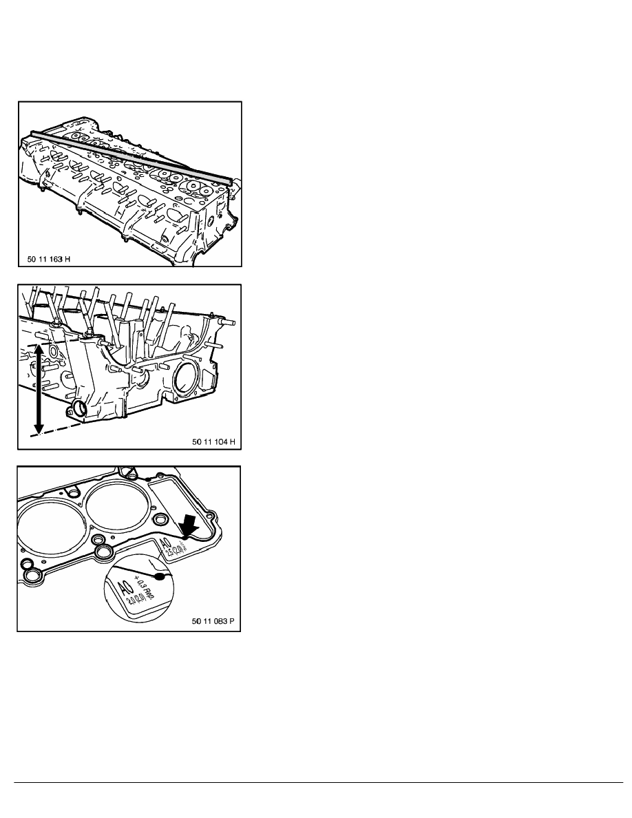
Resurfacing cylinder head sealing surface
(M52 / M52TU / M54 / M56)
(cylinder head dismantled)
Check flatness of cylinder head sealing surface with a
commercially available straightedge.
Deviation from flatness max. 0.05 mm.
Note:
Machining limit.
Note:
For compression comparison check, a repair cylinder head
seal is provided.
RA Resurfacing cylinder head sealing surface (M52 / M52TU / M54 / M56)
BMW AG - TIS
13.02.2013 21:28
Issue status (12/2007) Valid only until next DVD is issued
Copyright
Page - 1 -
